令和元年上期
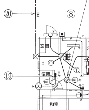
図は、木造3階建住宅の配線図である。この図に関する次の各問いには4通りの答え(イ、ロ、ハ、ニ)が書いてある。それぞれの問いに対して、答えを1つ選びなさい。
【注意】
- 屋内配線の工事は、特記のある場合を除き600Vビニル絶縁ビニルシースケーブル平形(VVF)を用いたケーブル工事である。
- 屋内配線等の電線の本数、電線の太さ、その他、問いに直接関係のない部分等は省略又は簡略化してある。
- 漏電遮断器は、定格感度電流30mA、動作時間0.1秒以内のものを使用している。
- 選択枠(答え)の写真にあるコンセント及び点滅器は、「JISC0303:2000)構内電気設備の配線用図記号」で示す「一般形」である。
- ジョイントボックスを経由する電線は、すべて接続箇所を設けている。
- 3路スイッチの記号「0」の端子には、電源側又は負荷側の電線を結線する。
問題46

- ⑯で示す木造部分に配線用の穴をあけるための工具として、正しいものは。




【解説】
ハは、木工ドリルです。電動ドリルに取り付けて、木材に穴をあけるときに使用します。
イはタップで金属の板にネジを切るときに使用します。
ロはリーマで金属管の内面取りに使用します。
ニはホルソで電動ドリルに取り付けて、金属の板に穴をあけるときに使用します。
【答え・ハ】
問題47

- ⑰で示すボックス内の接続をすべて差込形コネクタとする場合、使用する差込形コネクタの種類と最少個数の組合せで、正しいものは。




ただし、使用する電線は、すべてVVF1.6とする。
【解説】

- 電線を2本(2本用)
- 電線を2本(2本用)
- 電線を3本(3本用)
- 電線を4本(4本用)
【答え・イ】
問題48

- ⑱で示す部分の配線工事に必要なケーブルは。




ただし、心線数は最少とする。
【解説】

従ってロのVVF3芯になります。
【答え・ロ】
問題49

- ⑲で示す図記号の器具は。




ただし、写真下の図は、接点の構成を示す。
【解説】
⑲で示す図記号はLという表示から、確認表示灯です。
イは3路スイッチ
ハはスイッチ
二は位置表示灯内臓スイッチです。
ロが確認表示灯内臓スイッチです。
【答え・ロ】
問題50

- ⑳で示す地中配線工事で防護管(FEP)を切断するための工具として、正しいものは。




【解説】
⑳はFEPと記載されているので波付硬質合成樹脂管(地中電線路用保護管)です。
ニは、金切りのこである。金属管や太い電線、FEP管を切る工具です。
従ってニが正しい。
イはペンチです。電線やケーブルを切る工具です。
ロはパイプカッタです。金属管を切る工具です。
ハはボルトクリッパです。太い電線やメッセンジャーワイヤーを切る工具です。。
【答え・ニ】
Sponsored link





