令和7年度上期
問題31
- ①で示す引込線取付点の地表上の高さの最低値[m]は。
- イ.2
- ロ.2.5
- ハ.3
- ニ.4
ただし,引込線は道路を横断せず,技術上やむを得ない場合で,交通に支障がないものとする。
【解説】
①はこの部分です。

しかし問題でただし,引込線は道路を横断せず,技術上やむを得ない場合で,交通に支障がないものとする。
とあります。
この場合は2.5mまで緩和されます。
ちなみに、道路横断の場合は、5m以上です。
併せて覚えておきましょう。
【答え・ロ】
問題32
- ②で示す部分の配線工事にEM電線を使用した場合,使用できない電線の記号(種類)は。
- イ.EM-EEF
- ロ.EM-CE
- ハ.EM-EE
- ニ.EM-IE
【解説】
②はこの部分です。

つまり地中埋設配線で使用できない電線を選ばなければいけないです。
- イのEM-EEF・・・600V ポリエチレン絶縁耐燃性ポリエチレンシースケーブル平形
- ロのEM-CE・・・600V架橋ポリエチレン絶縁 耐燃ポリエチレンシースケーブル
- ハのEM-EE・・・600V ポリエチレン絶縁耐燃性ポリエチレンシースケーブル
- 二のEM-IE・・・耐燃性ポリエチレン絶縁電線
しかしながら地中埋設配線にはケーブルを使用しないといけないのでハを除いたとしても
二は絶縁電線でケーブルではありませんので使用できません。
【答え・二】
問題33
- ③で示す図記号の器具の種類は。
- イ.遅延スイッチ
- ロ.位置表示灯を内蔵する点滅器
- ハ.確認表示灯を内蔵する点滅器
- ニ.熱線式自動スイッチ
【解説】
③はこの部分です。

Hは位置表示灯を内蔵する点滅器
よくホタルスイッチと呼ばれています。
したがってロです。
【答え・ロ】
問題34
- ④で示す図記号の名称は。
- イ.電磁開閉器用押しボタン
- ロ.遅延スイッチ
- ハ.圧力スイッチ
- ニ.確認表示灯付電磁開閉器用押しボタン
【解説】
④はこの部分です。

問題文の④はBLと傍記されています。
BLは確認表示灯付電磁開閉器用押しボタンです。
【答え・二】
問題35
- ⑤で示す図記号の機器は。
- イ.制御配線の信号により動作する開閉器(電磁開閉器)
- ロ.電流計付箱開閉器
- ハ.電動機の始動装置
- ニ.電動機の力率を改善する低圧進相用コンデンサ
【解説】
⑤はこの部分です。

問題文の⑤は□にSと傍記されています。
この記号は開閉器です。
ロの電流計付箱開閉器の記号はこれです。

したがってイが正しいです。
【答え・イ】
問題36
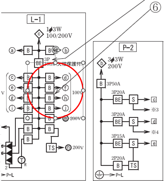
- ⑥で示す機器の定格電流の最大値[A]は。
- イ.15
- ロ.20
- ハ.25
- ニ.30
【解説】
⑥はこの部分です。

以下の表を覚えておかないと解けない問題です。
| 分岐回路の種類 | 過電流遮断器の定格電流 | コンセントの定格電流 | 電線太さの最小値 |
|---|---|---|---|
| 15[A]分岐回路 | 15[A] | 15[A]以下 | 直径1.6mm以上(または2mm2以上) |
| B20[A]分岐回路-配線用遮断器 | 20[A]以下 | 20[A]以下 | 直径1.6mm以上(または2mm2以上) |
| 20[A]分岐回路 | 20[A]のヒューズに限る | 20[A] | 直径2mm以上(または3.5mm2以上) |
| 30[A]分岐回路 | 30[A]以下 | 20[A]~ 30[A] | 直径2.6mm以上(または5.5mm2以上) |
| 40[A]分岐回路 | 40[A]以下 | 30[A]~ 40[A] | 断面積8mm2以上 |
| 50[A]分岐回路 | 50[A]以下 | 40[A]~ 50[A] | 断面積14mm2以上 |
⑥のブレーカには〇hになっています。

ここには管理室の15Aのコンセントしかありません。
そしてBの図記号から、配線用遮断器が使用されています。
上の表のところのB20を見れば
過電流遮断器」の定格電力の最大値は、20Aとなっています。
【答え・ロ】
問題37
- ⑦で示す部分の接地工事における接地抵抗の許容される最大値[Ω]は。
- イ.10
- ロ.100
- ハ.300
- ニ.500
なお,引込線の電源側には地絡遮断装置は設置されていない。
【解説】
⑦はこの部分です。

以下の表は覚えておかないといけません。

⑦にはP-1,P-2,L-1
となっています。
P-1は三相3線式200Vの電路です。
P-2は三相3線式200Vの電路です。
L-1は単相3線式200Vの電路です。
です。
P-1もP-2もL-1も使用電圧が300V以下です。
したがって⑦の接地はD種接地工事になります。
問題より地絡遮断装置を設けていないとあります。
したがって例外規定の適用がなくなり、接地抵抗値は、100Ω以下となります。
【答え・ロ】
問題38
- ⑧で示す図記号の器具の名称は。
- イ.圧力スイッチ
- ロ.フロートレススイッチ電極
- ハ.電磁開閉器用押しボタン
- ニ.フロートスイッチ
【解説】
⑧はこの部分です。

⑧には以下のようになっています。
押しボタンにLF3と、傍記されています。
これは、フロートレススイッチ電極です。
したがって、ロです。
【答え・ロ】
問題39
- ⑨で示す部分の最少電線本数(心線数)は。
- イ.2
- ロ.3
- ハ.4
- ニ.5
【解説】
⑨はこの部分です。

この問題は複線図の問題で下の図の赤線の部分の線の数を問われています。
したがって複線図が掛けないと解けない問題です。
この部分を簡単に説明すると以下です。
- イのスイッチで照明(蛍光灯3箇所)点灯させています。
- 電源はコンセントから100Vを供給しています。
- アは三路スイッチでB1Fと1Fの階段の照明を点灯させています。


難しそうですがポイントを理解すればさほど難しくないと思います。
⑨の配線は2本です。
まずポイントとしては電源の取り方です。
図を見るよ⑩の横にコンセントがあります。
そこしか100Vは取ることができません。
上のジョイントボックスではイのスイッチで3箇所の照明を点灯させています。
下のジョイントボックスではB1Fと1Fの階段を三路スイッチで入り切りしています。
そこで⑨の配線ですが上のジョイントボックスから下のジョイントボックスへの電源線の送り配線になっていますので
普通に接地線(白線)と非接地線(黒色)の2本のみということになります。
【答え・イ】
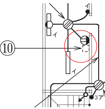
問題40
- ⑩で示す部分は引掛形のコンセントである。
- イ.EL
- ロ.H
- ハ.T
- ニ.LK
その図記号の傍記表示は。
【解説】
⑩はこの部分です。

知識問題なので知っているかどうかの問題です。
引掛形のコンセントの傍記表示はTです。
したがってハです。
【答え・ハ】
Sponsored link





