令和5年度下期午後
問題1
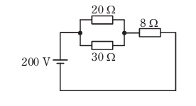
- 図のような回路で,8Ωの抵抗での消費電力[W]は。
- イ.200
- ロ.800
- ハ.1200
- ニ.2000

【解説】
まず合成抵抗を求めます。
20Ωと30Ωは並列接続です。
従って合成抵抗は
20 x 30/20 + 30 = 12Ωそれに8Ωが直列接続されているので
この回路の合成抵抗は
12 + 8 = 20Ω
になります。
次にこの回路に流れる電流を求めます。
電源電圧が200Vで回路の抵抗が20Ωなので
オームの法則
V=IR
より
200 = I x 20
I=10A
になります。
問題では8Ωの抵抗の消費電力を求めるので
電力の公式
P=IV=I x I x R
=10 x 10 x 8 = 800W
になります。
【答え・ロ】
問題3
- 電線の接続不良により,接続点の接触抵抗が0.2Ω となった。この電線に10 Aの電流が流れると,接続点から1時間に発生する熱量[kJ]は。
- イ.72
- ロ.144
- ハ.288
- ニ.576
ただし,接触抵抗の値は変化しないものとする。
【解説】
熱量の問題なので公式は以下の公式を使います。
熱量の公式
H[J] = P x t
Pは電力でtは時間になります。
ここでいう時間は秒なので
1時間を秒にしなければなりません。
60分」=3600秒
また今回は問題文より
接触抵抗が0.2Ωで電流が10Aとあるのでこのように求めて行きます。
H = P x t
H= I x V x t
H=I x I x R x t
つまり
V=IR
を変換しています。
H= 10 x 10 x 0.2 x 3600 = 72000J
=72kJ
【答え・イ】
問題4
- 図のような抵抗とリアクタンスとが直列に接続された回路の消費電力[W]は。
- イ.600
- ロ.800
- ハ.1000
- ニ.1250

【解説】
回路のインピーダンスZは

V=IZ
より
100 = I x 10
I=10A
消費電力を求めるので
電力の公式
P = IV
より
P= I x I x R
=10 x 10 x 8 = 800W
【答え・ロ】
問題5
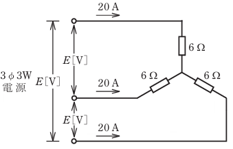
- 図のような三相負荷に三相交流電圧を加えたとき,各線に20 Aの電流が流れた。線間電圧E[V]は。
- イ.120
- ロ.173
- ハ.208
- ニ.240

【解説】
この問題はスター結線(Y結線)です。
スター結線の場合はまず以下のことは覚えておかないといけません。
線電流=相電流
線間電圧=√3 x 相電流
従って回路図より線電流は20Aなので相電流も20Aになります。
従って相電流20Aと抵抗が6Ωと分かっているのでまず相電圧を求めて√3倍すれば線間電圧が求まります。
オームの法則
V=IR
より
V = 20 x 6=120V(相電圧)
線間電圧は
√3 x 120=207.8V
【答え・ハ】
問題6
- 図のような三相3線式回路で,電線1線当たりの抵抗値が0.15Ω,線電流が10 Aのとき,この配線の電力損失[W]は。
- イ.2.6
- ロ.15
- ハ.26
- ニ.45

【解説】
電力損失の問題なので電力損失の公式を使用します。
電力損失の式
単相2線式・・・2rI2
単相3線式・・・2rI2
三相3線式・・・3rI2
そこで問題の回路図よりこの問題は三相3線式です。
従って
3rI2
を使用します。
線電流は10Aで抵抗が0.15Ωなので
電力損失Pは
P=3rI2=3 x 0.15 x 10 x 10 = 45W
になります。
【答え・ニ】
問題7
- 図のような単相3線式回路電源電圧210/105Vにおいて,抵抗負荷A20Ω,B10Ωを使用中に,図中の×印点Pで中性線が断線した。断線後の抵抗負荷Aに加わる電圧[V]は。
- イ.70
- ロ.105
- ハ.140
- ニ.210
ただし,断線によって負荷の抵抗値は変化せず,どの配線用遮断器も動作しなかったものとする。

【解説】
中性線が断線したため、回路全体に210Vの電圧がかかることになります。
合成抵抗は10Ωと20Ωの直列回路になります。
従って30Ωになります。
問題文より抵抗負荷Aにかかる電圧を求めるので以下のように式になります。
210 x 20/30=139.999V
【答え・ハ】
問題8
- 金属管による低圧屋内配線工事で,管内に断面積3.5mm2の600Vビニル絶縁電線軟銅線4本を収めて施設した場合,電線1本当たりの許容電流[A]は。
- イ.19
- ロ.23
- ハ.31
- ニ.49
ただし,周囲温度は30℃以下,電流減少係数は0.63とする。
【解説】
この問題は以下のことを覚えておかなければなりません。
| 単線 | より線 | ||
|---|---|---|---|
| 太さ | 許容電流値 | 太さ | 許容電流値 |
| 1.6[mm] | 27[A] | 2[mm2] | 27[A] |
| 2.0[mm] | 35[A] | 3.5[mm2] | 37[A] |
| 2.6[mm] | 48[A] | 5.5[mm2] | 49[A] |
| 3.2[mm] | 62[A] | 8[mm2] | 61[A] |
| 14[mm2] | 88[A] | ||
断面積3.5mm2の許容電流値は37Aです。
また電流減少係数は0.63となっているので
37 x 0.63=23.31
になります。
【答え・ロ】
Sponsored link





