令和5年度下期午前
問題1
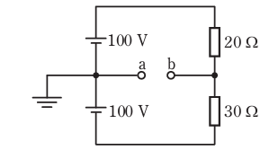
- 図のような直流回路で, a-b 間の電圧[V]は。
- イ.10
- ロ.20
- ハ.30
- ニ.40

【解説】
回路に流れる電圧は、100V+100Vの200Vです。
次に回路の抵抗ですが回路図より20Ωと30Ωの直列回路であることがわかるので
合成抵抗は
20 + 30 = 50Ω
です。
従って回路に流れる電流はオームの法則より
V=IR
200 = I x 50
I = 4A
であることがわかります。
a点の電位は、0Vです。
抵抗20Ωの上の電位は100Vです。
抵抗20Ωの電圧降下を求めると
V=IR
V= 4 x 20 = 80V
になるので
100-80=20V
になります。
a点の電位は、0Vなので、20-0で20Vとなります。
【答え・ロ】
問題2
- A,B 2本の同材質の銅線がある。Aは直径1.6 mm,長さ20 m,Bは直径3.2 mm,長さ40 mである。Aの抵抗はBの抵抗の何倍か。
- イ.2
- ロ.3
- ハ.4
- ニ.5
【解説】
抵抗を求める公式は以下になります。

断面積(S) = 半径 X 半径 X 円周率
で求めることができますので
直径1.6mmの断面積は
0.8 x 0.8 x 3.14 = 2.0096
直径3.2mmの断面積は
1.6 x 1.6 x 3.14 = 8.0384
になりますので
それぞれ抵抗の公式に代入していきます。
直径1.6mmの抵抗は
R=ρ x 20/2.0096= 9.95ρ
直径3.2mmの抵抗は
R=ρ x 40/8.0384=4.976ρ
ここで材質がともの銅線なので抵抗率は同じになりますのでρは無視することができます。
9.95/4.976=1.999
で約2倍になります。
【答え・イ】
問題3
- 消費電力が400 Wの電熱器を1時間20分使用した時の発熱量[kJ]は。
- イ.960
- ロ.1920
- ハ.2400
- ニ.2700
【解説】
熱量を求める問題です。
熱量の公式
H[J] = P x t
Pは電力でtは時間になります。
ここでいう時間は秒なので
まず問題より1時間20分を秒にしなければなりません。
1分は60秒
1時間20分は80分
なので
60 x 80=4800秒
H = 400 x 4800=1920000J=1920kJ
になります。
【答え・ロ】
問題4
- 図のような交流回路で,電源電圧102 V,抵抗の両端の電圧が90 V,リアクタンスの両端の電圧が48 Vであるとき,負荷の力率[%]は。
- イ.47
- ロ.69
- ハ.88
- ニ.96

【解説】
抵抗の電圧とリアクタンスの電圧が分かっているので力率を求める式は以下の公式を使用します。
力率= Vr/V
力率= 90/102
力率=0.88(88%)
【答え・ハ】
問題5
- 図のような電源電圧E [V]の三相3線式回路で,図中の x 印点で断線した場合,断線後の a-c 間の抵抗R[Ω]に流れる電流I[A]を示す。
- イ.E/2R
- ロ.E/√3R
- ハ.E/R
- ニ.3E/2R

【解説】
一番下のところが断線したわけですから、回路図は以下のようになります。

a-c間の電流はオームの法則より
V=IR
より
I= V/R
今回はE [V]となっているので
I= E/R
となります。

【答え・ハ】
問題6
- 図のような単相2線式回路で,c-c’間の電圧が100 Vのとき,a-a’間の電圧[V]は。
- イ.101
- ロ.102
- ハ.103
- ニ.104

【解説】
電圧降下の問題です。
従って電圧降下の式を使います。
単相2線式・・・2Ir
単相3線式・・・Ir
三相3線式・・・√3Ir
電圧降下の問題は順番に電圧降下を求めていきます。
まずこの問題は単相2線式なので電圧降下の公式は
2Ir
です。
まずb-c間の電圧降下は
抵抗が0.1Ω
電流が5Aなので
2 x 5 x 0.1=1V
従ってb点の電圧は、100V+1Vの101Vになります。
次にa-b間の電圧降下を求めます。
抵抗は0.05Ω
電流は5 + 5 = 10A
になりますので
2 x 10 x 0.05 = 1V
従って
a-a’間の電圧は
101V + 1V = 102V
になります。
【答え・ロ】
問題7
- 図のような単相3線式回路で,負荷A,負荷Bはともに消費電力800 Wの抵抗負荷である。負荷電圧がともに100 Vであるとき,この配線の電力損失[W]は。
- イ.32
- ロ.64
- ハ.96
- ニ.128
ただし,電線 1線当たりの抵抗は 0.5Ωとする。

【解説】
電力損失の問題です。
電力損失の公式は
単相2線式・・・2rI2
単相3線式・・・2rI2
三相3線式・・・3rI2
しかもこの回路は抵抗負荷A、抵抗負荷Bがともに800Wで平衡していますので中性線には電流が流れません。
従って中性線は無視できます。
800Wの抵抗負荷に流れる電流は
電力の公式より
P=IV
800 = I x 100
I=8A
この回路は単相3線式なので公式は
2rI2
を使用します。
2 x 0.5 x 8 x 8 = 64W
【答え・ロ】
問題8
- 金属管による低圧屋内配線工事で,管内に直径2.0 mmの600Vビニル絶縁電線(軟銅線)4本を収めて施設した場合,電線1本当たりの許容電流[A]は。
- イ.17
- ロ.22
- ハ.30
- ニ.35
ただし,周囲温度は30 ℃以下,電流減少係数は0.63とする。
【解説】
この問題は以下のことを覚えておかなければなりません。
| 単線 | より線 | ||
|---|---|---|---|
| 太さ | 許容電流値 | 太さ | 許容電流値 |
| 1.6[mm] | 27[A] | 2[mm2] | 27[A] |
| 2.0[mm] | 35[A] | 3.5[mm2] | 37[A] |
| 2.6[mm] | 48[A] | 5.5[mm2] | 49[A] |
| 3.2[mm] | 62[A] | 8[mm2] | 61[A] |
| 14[mm2] | 88[A] | ||
電流減少係数が0.63なので
35 x 0.63=22.05
【答え・ロ】
Sponsored link





