令和4年度下期午後
問題1
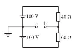
- 図のような直流回路で,a b-間の電圧[V]は。
- イ.20
- ロ.30
- ハ.40
- ニ.50

【解説】
オームの法則
V=IR
で求めます。
まず、電圧の値Vは
100 + 100 = 200V
合成抵抗は直列なのでそのまま足します。
40 + 60 =100Ω
200 = I x 100
I=2A
次の40Ωの抵抗のところにかかる電圧を求めます。
電流は2A流れているので
V=IR
V=2 x 40 = 80V
a-b間の電圧は
上の回路の電源電圧が100Vなので
100-80=20V
になります。
【答え・イ】
問題2
- 抵抗R[Ω]に電圧V[V]を加えると,電流I[A]が流れ,P[W]の電力が消費される場合,抵抗R[Ω]を示す式として,誤っているものは




【解説】
オームの法則
V=IR
消費電力の公式
P=VI
を変形させて答えを導いていきます。
イは
オームの法則
V=IR
R=V/I
となり正しいです。
ロは
V=IR
P=VI
に代入します。
P=VI=P=IRI=I2R
R=P/I2
となり正しいです。
ハは
V=IR
I=V/R
P=VI
Iの値を代入すると
P=V x V/R
=V2/R
これを整理すると
PR=V2
R=V2/P
となり正しいです。
二は
正しくないです。
【答え・二】
問題3
- 抵抗器に100Vの電圧を印加したとき,4Aの電流が流れた。1時間20分の間に抵抗器で発生する熱量[kJ]は。
- イ.960
- ロ.1920
- ハ.2400
- ニ.2700
【解説】
問題文より
抵抗器に100Vの電圧を印加したとき,4Aの電流が流れた。
とあります。
電力の公式
P=VI
より
P=100 x 4 = 400W
発熱量の公式
H = P x t
で求めます。
ここでtは秒の単位なので
問題文より
1時間20分を秒に変換します。
1時間20分は80分
1分は60秒
80 x 60 = 4800秒
H= 400 x 4800=1920000J=1920[kJ]
になります。
【答え・ロ】
問題4
- 図のような交流回路の力率[%]を示す式は。





【解説】
インピーダンスZは

力率は以下の公式で求めます。

従ってロが正しいです。
【答え・ロ】
問題5
- 図のような三相3線式回路に流れる電流I[A]は。
- イ.8.3
- ロ.11.6
- ハ.14.3
- ニ.20.0

【解説】
この回路はスター結線です。(Y結線)
ポイントとしては
スター結線の場合は
線電流=相電流
線間電圧=√3 x 相電圧
です。
線間電圧が200Vなので相電圧は
200/√3
です。
負荷の抵抗が10Ωなので
オームの法則に代入して相電流を求めます
V=IR
200/√3=I x 10
で相電流を求めます
√3=1.73
なので
200/1.73=I x 10
115.6=I x 10
I = 11.56A
線電流=相電流
なのでIの値も
11.56A
になります。
従ってロが正解です。
【答え・ロ】
問題6
- 図のように,電線のこう長8mの配線により,消費電力2000Wの抵抗負荷に電力を供給した結果,負荷の両端の電圧は100Vであった。配線における電圧降下[V]は。
- イ.0.2
- ロ.0.8
- ハ.1.6
- ニ.2.4
ただし,電線の電気抵抗は長さ1000m当たり5.0Ωとする。

【解説】
電圧降下の問題なので電圧降下の公式が必要になります。
- 単相2線式・・・2Ir
- 単相3線式・・・Ir
- 三相3線式・・・√3Ir
消費電力と電圧が問題文よりわかるので
電力の公式からIを導くことができます。
P=IV
2000 = I x 100
I=20A
次に抵抗を求めます。
問題文より
電線の電気抵抗は長さ1000m当たり5.0Ωとする。
とありここがポイントになると思います。
つまり
問題文より電線の長さは8mとなっています。
1000mあたり5.0Ωなので
1mでは1/1000すればいいので
5 ÷ 1000
で1m当たりの抵抗が分かります。
1m=0.005Ωです。
問題文は8mなので
0.005 x 8 = 0.04Ω
になります。
この回路は単相2線式なので
単相2線式・・・2Ir
より
2 x 20 x 0.04=1.6V
になります。
【答え・ハ】
問題7
- 図のような単相3線式回路で,電線1線当たりの抵抗が0.1Ω,抵抗負荷に流れる電流がともに20Aのとき,この電線路の電力損失[W]は。
- イ.40
- ロ.69
- ハ.80
- ニ.120

【解説】
電力損失の問題です。
従って電力喪失の公式を使用します。
- 単相2線式・・・2rI2
- 単相3線式・・・2rI2
- 三相3線式・・・3rI2
単相3線式・・・2rI2
を使用します。
抵抗は0.1Ω
電流は20A
なので
2 x 0.1 x 20 x 20=80W
【答え・ハ】
問題8
- 金属管による低圧屋内配線工事で,管内に直径2.0mmの600Vビニル絶縁電線(軟銅線) 5本を収めて施設した場合,電線1本当たりの許容電流[A]は。
- イ.15
- ロ.19
- ハ.27
- ニ.35
ただし,周囲温度は30℃以下,電流減少係数は0.56とする。
【解説】
この問題は以下のことを覚えておかなければなりません。
| 単線 | より線 | ||
|---|---|---|---|
| 太さ | 許容電流値 | 太さ | 許容電流値 |
| 1.6[mm] | 27[A] | 2[mm2] | 27[A] |
| 2.0[mm] | 35[A] | 3.5[mm2] | 37[A] |
| 2.6[mm] | 48[A] | 5.5[mm2] | 49[A] |
| 3.2[mm] | 62[A] | 8[mm2] | 61[A] |
| 14[mm2] | 88[A] | ||
直径2.0mmの600Vビニル絶縁電線(軟銅線) 5本を収めて施設した場合
とあります。
2.0mmの許容電流値は35Aです。
問題文より電流減少係数が0.56とありますので
35 x 0.56=19.6
になりますので答えは19のロになります。
【答え・ロ】
Sponsored link





