令和3年度上期午前
図は、鉄筋コンクリート造集合住宅の1戸部分の配線図である。この図に関する次の各問いには4通りの答え(イ、ロ、ハ、ニ)が書いてある。それぞれの問いに対して、答えを1つ選びなさい。
【注意】
- 屋内配線の工事は、特記のある場合を除き600Vビニル絶縁ビニルシースケーブル平形(VVF)を用いたケーブル工事である。
- 屋内配線等の電線の本数、電線の太さ、その他、問いに直接関係のない部分等は省略又は簡略化してある。
- 漏電遮断器は、定格感度電流30mA、動作時間0.1秒以内のものを使用している。
- 選択枠(答え)の写真にあるコンセント及び点滅器は、「JISC0303:2000)構内電気設備の配線用図記号」で示す「一般形」である。
- ジョイントボックスを経由する電線は、すべて接続箇所を設けている。
- 3路スイッチの記号「0」の端子には、電源側又は負荷側の電線を結線する。
問題41

- ⑪で示す図記号の機器は。




【解説】

⑪で示す図記号は小型変圧器です。
- イはタイムスイッチです。
- ロはリモコントランスです。
- 二はタイマーリレーです。
【答え・ハ】
問題42

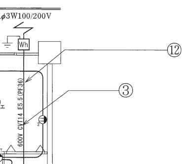
- ⑫で示す部分の工事において、使用されることのないものは。




【解説】
配線図の⑫には(PF36)と記載されています。
これは内径30mmの合成樹脂製可とう電線管(PF 管)で施工しなさい。とのことです。
写真「ロ」のTSカップリングは、塩ビ管の接続に使用されるもので合成樹脂製可とう電線管の工事には使用されません。
従ってロが不適当です。
- イは合成樹脂製可とう電線管(PF管)のため、この工事で使用します。
- ハはスチールワイヤーは電線を電線管の中に通す工具で、この工事で使用します。
- ニは合成樹脂カッタは合成樹脂製可とう電線管(PF管)を切断する工具で、この工事で使用します。
【答え・ロ】
問題43

- ⑬で示す図記号の器具は。




【解説】
⑬で示す図記号は、ボックスなし蛍光灯です。
蛍光灯の図記号の横にプルスイッチの図記号が書かれている場合は、蛍光灯はプルスイッチでON/OFFされるよ、という意味になります。

【答え・ニ】
問題44

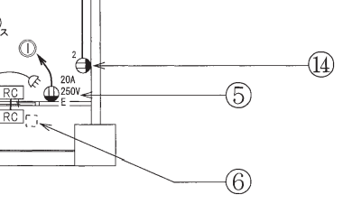
- ⑭で示すコンセントの電圧と極性を確認するための測定器の組合せで、正しいものは。




【解説】
コンセントの電圧確認には回路計(テスター)を使用し、極性の確認には検電器で確認いたします。
ロの回路計(テスタ)と検電器の組合せが正しい。
【答え・ロ】
問題45

- ⑮で示す図記号の機器は。




【解説】
⑮で示す図記号の機器は、定格電圧200Vの配線用遮断器です。
ロとニは漏電遮断器なので誤りです。
イは100Vと記載していますので誤りです。
従ってハです。
【答え・ハ】
Sponsored link





