令和3年度上期午後
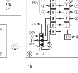
図は、鉄筋コンクリート造の集合住宅共用部部分的な配線図である。この図に関する次の各問いには4通りの答え(イ、ロ、ハ、ニ)が書いてある。それぞれの問いに対して、答えを1つ選びなさい。
【注意】
- 屋内配線の工事は動力回路及び特記のある場合を除き600Vビニル絶縁ビニルシースケーブル平形(VVF)を用いたケーブル工事である。
- 屋内配線等の電線の本数、電線の太さ、その他、問いに直接関係のない部分等は省略又は簡略化してある。
- 漏電遮断器は、定格感度電流30mA、動作時間0.1秒以内のものを使用している。
- 選択枠(答え)の写真にあるコンセント及び点滅器は、「JISC0303:2000)構内電気設備の配線用図記号」で示す「一般形」である。
- 配電盤、分電盤及び制御盤の外箱は金属製である。
- ジョイントボックスを経由する電線は、すべて接続箇所を設けている。
- 3路スイッチの記号「0」の端子には、電源側又は負荷側の電線を結線する。
問題36

- ⑥で示す図記号の器具の名称は。
- イ.リモコンリレー
- ロ.リモコンセレクタスイッチ
- ハ.火災表示灯
- ニ.漏電警報器
【解説】
⑥の図記号はリモコンリレーである。
【答え・イ】
問題37

- ⑦で示す部分の接地工事における接地抵抗の許容される最大値[Ω]は。
- イ.10
- ロ.100
- ハ.300
- ニ.500
なお、引込線の電源側には地絡遮断装置は設置されていない。
【解説】
⑦は「P-1」「P-2」「L-1」に接続されており、いずれも使用電圧は300V以下である。
従って使用電圧300V以下の場合、D種接地工事を施す。
電技解釈第17条により接地抵抗値は原則の100V以下となる。
【答え・ロ】
問題38

- ⑧で示す図記号の器具の名称は。
- イ.電磁開閉器用押しボタン
- ロ.フロートスイッチ
- ハ.圧力スイッチ
- ニ.フロートレススイッチ電極
【解説】
⑧で示す図記号はニのフロートレススイッチ電極です。
液面の高さを電極で感知するスイッチです。

【答え・ニ】
問題39

- ⑨で示す部分の最少電線本数(心線数)は。
- イ.2
- ロ.3
- ハ.4
- ニ.5
【解説】

【答え・イ】
問題40
- ⑩で示す部分は引掛形のコンセントである。その図記号の傍記表示は。
- イ.T
- ロ.LK
- ハ.EL
- ニ.H
【解説】

【答え・イ】
Sponsored link





