令和3年度上期午前
図は、鉄筋コンクリート造集合住宅の1戸部分の配線図である。この図に関する次の各問いには4通りの答え(イ、ロ、ハ、ニ)が書いてある。それぞれの問いに対して、答えを1つ選びなさい。
【注意】
- 屋内配線の工事は、特記のある場合を除き600Vビニル絶縁ビニルシースケーブル平形(VVF)を用いたケーブル工事である。
- 屋内配線等の電線の本数、電線の太さ、その他、問いに直接関係のない部分等は省略又は簡略化してある。
- 漏電遮断器は、定格感度電流30mA、動作時間0.1秒以内のものを使用している。
- 選択枠(答え)の写真にあるコンセント及び点滅器は、「JISC0303:2000)構内電気設備の配線用図記号」で示す「一般形」である。
- ジョイントボックスを経由する電線は、すべて接続箇所を設けている。
- 3路スイッチの記号「0」の端子には、電源側又は負荷側の電線を結線する。
問題36
- ⑥で示す部分はルームエアコンの屋外ユニットである。その図記号の傍記表示は。
- イ.O
- ロ.B
- ハ.I
- ニ.R

【解説】
屋内ユニット=I
屋外ユニット=O
です。
これはIN、OUTの頭文字を意味しています。
従ってイが正しい。
【答え・イ】
問題37
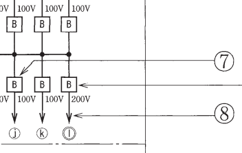
- ⑦で示す機器の定格電流の最大値[A]は。
- イ.15
- ロ.20
- ハ.30
- ニ.40

【解説】
配線用遮断器の⑦に接続されるコンセントは、単相100V15Aである。
下表より定格電流の最大値は20Aです。
| 配電用遮断器の定格電流 | 電線の太さ | コンセントの定格電流 |
|---|---|---|
| 15A以下 | 直径1.6mm以上 (断面積2.0mm2以上) | 15A以下 |
| 15Aを超え20A以下 | 直径1.6mm以上 (断面積2.0mm2以上) | 20A以下 |
| 20Aを超え30A以下 | 直径2.6mm以上 (断面積5.5mm2以上) | 20A以上30A以下 |
| 30Aを超え40A以下 | 断面積8mm2以上 | 30A以上40A以下 |
| 40Aを超え50A以下 | 断面積14mm2以上 | 40A以上50A以下 |
【答え・ロ】
問題38

- ⑧で示す部分の電路と大地間の絶縁抵抗として、許容される最小値[MΩ]は。
- イ.0.1
- ロ.0.2
- ハ.0.4
- ニ.1.0
【解説】
⑧で示す部分は単相3線式100/200Vの電源に接続されるため、この部分の電路と大地間の絶縁抵抗値は0.1MΩ以上でなければならない。
電気設備技術基準による低圧電路の絶縁抵抗値
| 電路の使用電圧の区分 | 絶縁抵抗値 | |
|---|---|---|
| 300V以下 | 対地電圧150V以下 | 0.1MΩ以上 |
| その他の場合 | 0.2MΩ以上 | |
| 300Vを超えるもの | 0.4MΩ以上 | |
【答え・イ】
問題39

- ⑨で示す器具にコード吊りで白熱電球を取り付ける。使用できるコードと最小断面積の組合せとして、正しいものは。
- イ.ビニルコード 1.25mm2
- ロ.ビニルキャプタイヤコード 0.75mm2
- ハ.丸打ちゴムコード 0.75mm2
- ニ.袋打ちゴムコード 0.5mm2
【解説】
⑨で示す器具はペンダントです。

電球線用の配線を選ばなければなりません。
電球線用の配線は断面積0.75mm2以上の袋打ゴムコード・丸打ゴムコード・ゴムキャブタイヤコード及びゴムキャブタイヤケーブルです。従って解答枠の中ではハの丸打ちゴムコード 0.75mm2が正解です。
【答え・ハ】
問題40

- ⑩で示す部分の最小電線本数(心線数)は。
- イ.2
- ロ.3
- ハ.4
- ニ.5
【解説】

【答え・イ】
Sponsored link





