令和3年度上期午後
図は、鉄筋コンクリート造の集合住宅共用部部分的な配線図である。この図に関する次の各問いには4通りの答え(イ、ロ、ハ、ニ)が書いてある。それぞれの問いに対して、答えを1つ選びなさい。
【注意】
- 屋内配線の工事は動力回路及び特記のある場合を除き600Vビニル絶縁ビニルシースケーブル平形(VVF)を用いたケーブル工事である。
- 屋内配線等の電線の本数、電線の太さ、その他、問いに直接関係のない部分等は省略又は簡略化してある。
- 漏電遮断器は、定格感度電流30mA、動作時間0.1秒以内のものを使用している。
- 選択枠(答え)の写真にあるコンセント及び点滅器は、「JISC0303:2000)構内電気設備の配線用図記号」で示す「一般形」である。
- 配電盤、分電盤及び制御盤の外箱は金属製である。
- ジョイントボックスを経由する電線は、すべて接続箇所を設けている。
- 3路スイッチの記号「0」の端子には、電源側又は負荷側の電線を結線する。
問題31

- ①で示す引込線取付点の地表上の高さの最低値[m]は。
- イ.2
- ロ.2.5
- ハ.3
- ニ.4
ただし、引込線は道路を横断せず、技術上やむを得ない場合で、交通に支障がないものとする。
【解説】
引込線の取付点の高さは 原則4m以上である。
例外として、技術上やむを得ない場合、または交通に支障がないとされるときは、最低高さ2.5m以上を以上とすることができる。
【答え・ロ】
問題32

- ②で示す配線工事に使用できない電線の記号(種類)は。
- イ.VVF
- ロ.VVR
- ハ.IV
- ニ.CV
【解説】
②のFEP(波付硬質合成樹脂管)は地中埋設用に使用されます。使用する電線はケーブルでなくてはいけません。
ハのIV(600Vビニル絶縁電線)は使用できない。)
【答え・ハ】
問題33

- ③で示す図記号の器具の種類は。
- イ.熱戦式自動スイッチ
- ロ.遅延スイッチ
- ハ.確認表示灯を内蔵する点滅器
- ニ.位置表示灯を内蔵する点滅器
【解説】
③で示す図記号は、点滅器に「H」が傍記されているため、位置表示灯を内蔵する点滅器である。
スイッチOFF時に表示灯が点灯します。

【答え・ニ】
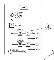
問題34
- ④で示す図記号の機器は。
- イ.電流計付箱開閉器
- ロ.電動機の力率を改善する低圧進相用コンデンサ
- ハ.制御配線の信号により動作する開閉器(電磁開閉器)
- ニ.電動機の始動装置

【解説】
④の図記号は開閉器です。
制御配線に接続されているので「制御配線の信号により動作する開閉器(電磁開閉器)」です。
【答え・ハ】
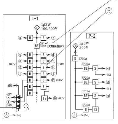
問題35

- ⑤で示す機器の定格電流の最大値[A]は。
- イ.15
- ロ.20
- ハ.25
- ニ.30
【解説】
配線用遮断器に接続されるコンセントは、単相100V15Aである。
下表より定格電流の最大値は20Aです。
| 配電用遮断器の定格電流 | 電線の太さ | コンセントの定格電流 |
|---|---|---|
| 15A以下 | 直径1.6mm以上 (断面積2.0mm2以上) | 15A以下 |
| 15Aを超え20A以下 | 直径1.6mm以上 (断面積2.0mm2以上) | 20A以下 |
| 20Aを超え30A以下 | 直径2.6mm以上 (断面積5.5mm2以上) | 20A以上30A以下 |
| 30Aを超え40A以下 | 断面積8mm2以上 | 30A以上40A以下 |
| 40Aを超え50A以下 | 断面積14mm2以上 | 40A以上50A以下 |
【答え・ロ】
Sponsored link





