令和3年度上期午前
問題26
- 直読式接地抵抗計を用いて、接地抵抗を測定する場合、被測定接地極Eに対する、2つの補助接地極P(電圧用)及びC(電流用)の配置として、適切なものは。




【解説】
接地抵抗を測定する際は、各電極を一直線上にE-P-Cの順に指していく。
【答え・ロ】
問題27
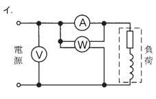
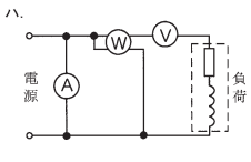
- 単相交流電源から負荷に至る回路において、電圧計、電流計の結線方法として、正しいものは。




【解説】
- 電圧計は回路に並列に接続する。
- 電流計は回路に直列に接続する。
- 電力計の電圧コイルは回路に並列に、電流コイルは回路に直列に接続する。
【答え・ニ】
問題28
- 「電気工事士法」において、一般用電気工作物の工事又は作業で電気工事士でなければ従事できないものは。
- イ.差込み接続器にコードを接続する工事
- ロ.配電盤を造営材に取り付ける作業
- ハ.地中電線用の暗きょを設置する工事
- ニ.火災感知器に使用する小型変圧器(二次電圧が36V以下)二次側の配線工事
【解説】
配電盤を造営材に取り付ける作業は、電気工事士でなければ従事できません。
【答え・ロ】
問題29
- 「電気用品安全法」の適用を受ける次の電気用品のうち、特定電気用品は。
- イ.定格電流20Aの配線用遮断器
- ロ.消費電力30Wの換気扇
- ハ.外径19mmの金属製電線管
- ニ.消費電力1kWの電気ストーブ
【解説】
特定電気用品は、構造又は使用方法その他の使用状況から見て特に危険又は障害の発生する恐れが多い場合に適応されます。
ロ、ハ、ニは、特定電気用品以外の電気用品になります。
定格電流100V以下の配線用遮断器は特定電気用品になります。
【答え・イ】
問題30
- 一般用電気工作物の適用を受けないものは。
- イ.低圧受電で、受電電力の容量が35kW、出力15kWの非常用内燃力発電設備を備えた映画館
- ロ.低圧受電で、受電電力の容量が35kW、出力10kWの太陽電池発電設備と電気的に接続した出力5kWの風力発電設備を備えた農園
- ハ.低圧受電で、受電電力の容量が45kW、出力5kWの燃料電池発電設備を備えたコンビニエンスストア
- ニ.低圧受電で、受電電力の容量が35kW、出力15kWの太陽電池発電設備を備えた幼稚園
ただし、発電設備は電圧600V以下で、1棟内に設置するものとする。
【解説】
一般電気工作物小出力発電設備の分類
| 種類 | 出力 |
|---|---|
| 太陽光発電設備 | 50kW未満 |
| 風力発電伝設備 | 20kW未満 |
| 水力発電設備 | 20kW未満 |
| 内燃力発電設備 | 10kW未満 |
| 燃料電池発電設備 | 10kW未満 |
| 発電設備合計 | 50kW未満 |
【答え・イ】
Sponsored link





