令和3年度下期午後
問題6
- 図のような単相2線式回路において、c-c'間の電圧が100Vのとき、a-a'間の電圧[V]は。
- イ.102
- ロ.103
- ハ.104
- ニ.105
ただし、rは電線の電気抵抗[Ω]とする。

【解説】
a-a'間の電圧[V]を求めるにはb-c 間,b'-c' 間の電圧降下、a-b 間,a'-b' 間の電圧降下を求めてc-c'間の電圧100Vに電圧降下分を加えてやればa-a'間の電圧[V]が分かります。

2 x 0.1[Ω] x 10[A]=2[V]
a-b 間,a'-b' 間の電圧降下は,次式で求められる。
2 x 0.1[Ω] x 15[A]=3[V]
a-a'間の電圧[V]は以下のようになります。
100 + 2 + 3=105[V]
【答え・ニ】
問題7
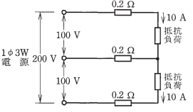
- 図のような単相3線式回路において、電線1線当たりの電気抵抗が0.2Ω、抵抗負荷に流れる電流がともに10Aのとき、配線の電力損失[W]は。
- イ.4
- ロ.8
- ハ.40
- ニ.80

【解説】

単相三線式(平衡負荷)の場合
P=2I2r[W]より
P=2 x 102 x 0.2=40[W]
【答え・ハ】
問題8
- 金属管による低圧屋内配線工事で、管内に断面積3.5mm2の600Vビニル絶縁電線(軟銅線)3本を収めて施設した場合、電線1本当たりの許容電流[A]は。
- イ.19
- ロ.26
- ハ.34
- ニ.49
ただし、周囲温度は30℃以下、電流減少係数は0.70とする。
【解説】
| 電線の断面積 | 許容電流 |
|---|---|
| 2.0mm2 | 27A |
| 3.5mm2 | 37A |
| 5.5mm2 | 49A |
| 8mm2 | 61A |
| 14mm2 | 88A |
| 管内の電線数 | 電流減少係数 |
|---|---|
| 3本以下 | 0.7 |
| 4本 | 0.63 |
| 5~6本 | 0.56 |
| 7~15本 | 0.49 |
電技解釈第146条により、3.5mm2のビニル絶縁電線(軟銅線)の許容電流は37Aである。3本収めて施設した場合の電線1本あたりの許容電流は、電流減少係数が0.70であるので、
37 ×0.70 = 25.9 ≒26[A]
【答え・ロ】
問題9
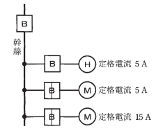
- 図のような電熱器H1台と電動機M2台が接続された単相2線式の低圧屋内幹線がある。この幹線の太さを決定する根拠となる電流IW[A]と幹線に施設しなければならない過電流遮断器の定格電流を決定する根拠となる電流IB[A]の組合せとして、適切なものは。
- イ.IW27 IB55
- ロ.IW27 IB65
- ハ.IW30 IB55
- ニ.IW30 IB65
ただし、需要率は100%とする。

【解説】

電熱器H1台と電動機M2台です。
電熱器・・・5A
電動機・・・5A+15A=20A
今回は
電動機(20A) > 電熱器(5A)
になります。
電動機が50A以下のときは以下のようになります。

幹線に施設しなければならない過電流遮断機の定格電流を決定する根拠となる電流IB[A]は以下で求められます。
こちらは3×Im+Ihと2.5×Iw を計算する。
- 3 x 20 + 5=65[A]
- 2.5 x 30=75[A]
【答え・ニ】
問題10
- 定格電流30Aの配線用遮断器で保護される分岐回路の電線(軟銅線)の太さと、接続できるコンセントの図記号の組合せとして、適切なものは。




ただし、コンセントは兼用コンセントではないものとする。
【解説】
| 20A分岐回路 |
|---|
|
| 30A分岐回路 |
|---|
|
| 40A分岐回路 |
|---|
|
この条件を満たすのはイのみです。
【答え・イ】
Sponsored link





