令和3年度下期午前
問題6
- 図のような単相2線式回路において、d-d'間の電圧が100Vのときa-a'間の電圧[V]は。
- イ.102
- ロ.103
- ハ.104
- ニ.105
ただし、r1、r2及びr3は電線の電気抵抗[Ω]とする。

【解説】

2 x 5 x 0.1=1V
b-c 間,b'-c' 間の電圧降下は,次式で求められる。
2 x 10 x 0.1=2V
a-b 間,a'-b' 間の電圧降下は,次式で求められる。
2 x 20 x 0.05=2V
a-a'間の電圧[V]は
100+1+1+2=105V
になります。
【答え・ニ】
問題7
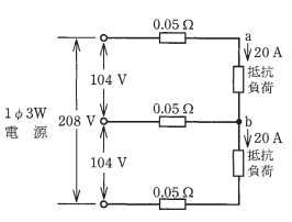
- 図のような単相3線式回路において、電線1線当たりの抵抗が0.05Ωのとき、a-b間の電圧[V]は。
- イ.100
- ロ.101
- ハ.102
- ニ.103

【解説】

0.05 x 20=1V
従ってa-b間の電圧は
104-1=103V
になります。
【答え・ニ】
問題8
- 低圧屋内配線の合成樹脂管工事で、管内に直径2.0mmの600Vビニル絶縁電線(軟銅線)を4本収めて施設した場合、電線1本当たりの許容電流[A]は。
- イ.17
- ロ.19
- ハ.22
- ニ.24
ただし、周囲温度は30℃以下とする。
【解説】
直径2.0mmの600Vビニル絶縁電線(軟銅線)の許容電流は、下表より35Aである。
| 電線の直径 | 許容電流 |
|---|---|
| 1.6mm | 27A |
| 2.0mm | 35A |
| 2.6mm | 48A |
| 3.2mm | 62A |
| 管内の電線数 | 電流減少係数 |
|---|---|
| 3本以下 | 0.7 |
| 4本 | 0.63 |
| 5~6本 | 0.56 |
| 7~15本 | 0.49 |
35 x 0.63=22.05=22A
【答え・ハ】
問題9
- 図のように定格電流40Aの過電流遮断器で保護された低圧屋内幹線から分岐して、10mの位置に過電流遮断器を施設するとき、a-b間の電線の許容電流の最小値[A]は。
- イ.10
- ロ.14
- ハ.18
- ニ.22

【解説】
| IBに対するIWの割合 | 施設位置 |
|---|---|
| IWがIBの35%以上の場合 | 分岐点から8m以下の位置 |
| IWがIBの55%以上の場合 | 制限なし |
幹線の過電流遮断器の定格電流をIB、分岐点から電線の許容電流をIWとすると、分岐回路の過電流遮断器を分岐点から
8mを超える位置に施設する場合は
- IWをIBの55%以上にしなければならない。
つまり
許容電流の最小値は、
40Aの55%以上にしなければならないので
40 x 0.55=22Aになります。
【答え・ニ】
問題10
- 低圧屋内配線の分岐回路の設計で、配線用遮断器、分岐回路の電線の太さ及びコンセントの組合せとして、適切なものは。




ただし、分岐点から配線用遮断器までは3m、配線用遮断器からコンセントまでは8mとし、電線の数値は分岐回路の電線(軟銅線)の太さを示す。
また、コンセントは兼用コンセントではないものとする。
【解説】
| 20A分岐回路 |
|---|
|
| 30A分岐回路 |
|---|
|
| 40A分岐回路 |
|---|
|
従って適切なものはイです。
- ロは定格電流の30Aコンセントなので不適切である。
- ロは定格電流の15Aコンセントなので不適切である。
- ロは定格電流の30Aコンセントなので不適切である。
【答え・イ】
Sponsored link





