令和3年度上期午後
問題6
- 図のような単相2線式回路で、c-c'間の電圧が100Vのとき、a-a'間の電圧[V]は。
- イ.101
- ロ.102
- ハ.103
- ニ.104
ただし、r1及びr2は電線の電気抵抗[Ω]とする。

【解説】
a-a'間の電圧[V]を求めるにはb-c 間,b'-c' 間の電圧降下、a-b 間,a'-b' 間の電圧降下を求めてc-c'間の電圧100Vに電圧降下分を加えてやればa-a'間の電圧[V]が分かります。

a-b 間,a'-b' 間の電圧降下は,次式で求められる。 2 x 0.05[Ω] x 10[A]=1[V]
a-a'間の電圧[V]は以下のようになります。
100 + 1 + 1=102[V]
【答え・ロ】
問題7
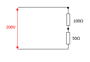
- 図のような単相3線式回路において、消費電力100W、200Wの2つの負荷はともに抵抗負荷である。図中のx印点で断線した場合、a-b間の電圧[V]は。
- イ.67
- ロ.100
- ハ.133
- ニ.150
ただし、断線によって負荷の抵抗値は変化しないものとする。

【解説】
×点で断線した場合、下図のような単相200V回路となる。


【答え・ハ】
問題8
- 金属管による低圧屋内配線工事で、管内に直径1.6mmの600Vビニル絶縁電線(軟銅線)6本を収めて施設した場合、電線1本当たりの許容電流[A]は。
- イ.1.5
- ロ.19
- ハ.20
- ニ.27
ただし、周囲温度は30℃以下、電流減少係数は0.56とする。
【解説】
| 電線の直径 | 許容電流 |
|---|---|
| 1.6mm | 27A |
| 2.0mm | 35A |
| 2.6mm | 48A |
| 3.2mm | 62A |
電技解釈第146条により、直径1.6mmの単線の許容電流は27Aなので、この許容電流と電流減少係数の積を求めれば電線1本当たりの許容電流[A]を求めることができます。
27 x 0.56=1.512Aになりますので
イの1.5Aです。
【答え・イ】
問題9
- 図のように、定格電流100Aの配線用遮断器で保護された低圧屋内幹線からVVRケーブルで低圧屋内電路を分岐する場合、a-b間の長さLと電線の太さAの組合せとして、不適切なものは。
- イ.L:1m A:2.0mm2
- ロ.L:2m A:5.5mm2
- ハ.L:10m A:8mm2
- ニ.L:15m A:14mm2
ただし、VVRケーブルの太さと許容電流の関係は表のとおりとする。

【解説】
原則として幹線の分岐点から3m以下の場所に分岐開閉器を施設しなければならない。
従ってイとロは長さが1mと2mなので適切です。
| IBに対するIWの割合 | 施設位置 |
|---|---|
| IWがIBの35%以上の場合 | 分岐点から8m以下の位置 |
| IWがIBの55%以上の場合 | 制限なし |
ハとニは8m以上あるので条件としては
IWがIBの55%以上なければならないことになります。
定格電流100Aの配線用遮断器なので
100 x 0.55=55Aになり55A以上なければならないことになります。
ニは断面積14mm2で61A(55A以上なので適切)
ハは断面積8mm2で42A(55A以下で不適切)
になります。
【答え・ハ】
問題10
- 低圧屋内配線の分岐回路の設計で、配線用遮断器、分岐回路の電線の太さ及びコンセントの組合せとして、不適切なものは。




ただし、分岐点から配線用遮断器までは3m、配線用遮断器からコンセントまでは8mとし、電線の数値は分岐回路の電線(軟銅線)の太さを示す。
また、コンセントは兼用コンセントではないものとする。
【解説】
| 20A分岐回路 |
|---|
|
| 30A分岐回路 |
|---|
|
| 40A分岐回路 |
|---|
|
上記条件で誤っているのはロです。
ロは電線の太さが2.0mmとなっています。2.0mmは20A以下です。
【答え・ロ】
Sponsored link





