令和3年度上期午前
問題6
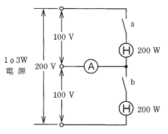
- 図のような単相3線式回路で、スイッチだけを閉じたときの電流計Aの指示値I1[A]とスイッチa及びbを閉じたときの電流計Aの指示値I2[A]の組合せとして、適切なものは。
- イ.
I1 2
I2 2 - ロ.
I1 2
I2 0 - ハ.
I1 2
I2 4 - ニ.
I1 4
I2 0
ただし、Hは定格電圧100Vの電熱器である。

【解説】
まずこの問題はスイッチa及びbを閉じたときはともに負荷が200Wなので電流計Aには電流が流れません。

従ってI2 0
になります。
スイッチaだけを閉じたとき、電流計に流れる電流I1は

従ってロが正しい。
【答え・ロ】
問題7
- 図のような三相交流回路において、電線1線当たりの抵抗が0.2Ω、線電流が15Aのとき、この電線路の電力損失[W]は。
- イ.78
- ロ.90
- ハ.120
- ニ.135

【解説】
この回路は三相三線式回路で、電線1線当たりの抵抗値をr[Ω]、線電流をI[A]とすると電力損失は以下の式で求めることができます。

【答え・ニ】
問題8
- 合成樹脂製可とう電線管(PF管)による低圧屋内配線工事で、管内断面積5.5mm2の600Vビニル絶縁電線(軟銅線)7本を収めて施設した場合、電線1本当たりの許容電流[A]は。
- イ.13
- ロ.17
- ハ.24
- ニ.29
ただし、周囲温度は30℃以下、電流減少係数は0.49とする。
【解説】
| 電線の断面積 | 許容電流 |
|---|---|
| 2.0mm2 | 27A |
| 3.5mm2 | 37A |
| 5.5mm2 | 49A |
| 8mm2 | 61A |
| 14mm2 | 88A |
| 管内の電線数 | 電流減少係数 |
|---|---|
| 3本以下 | 0.7 |
| 4本 | 0.63 |
| 5~6本 | 0.56 |
| 7~15本 | 0.49 |
49 x 0.49=24A
になります。
【答え・ハ】
問題9
- 図のような電熱器H1台と電動機M2台が接続された単相2線式の低圧屋内幹線がある。この幹線の太さを決定する根拠となる電流IW[A]と幹線に施設しなければならない過電流遮断器の定格電流を決定する根拠となる電流IBの組合せとして、適切なものは。
- イ.IW 50 IB 125
- ロ.IW 50 IB 130
- ハ.IW 60 IB 130
- ニ.IW 60 IB 150
ただし、需要率は100%とする。

【解説】

IM=20A+20A=40A
電熱器の定格電流の合計IHは
IH=10A
になっていますので
今回は上の表では③に該当します。
IW=1.25IM+IHより
IW=1.25 x 40 + 10=60A
また、電技解釈第148条により、電動機が接続されている場合の幹線に施設しなければならない過電流遮断器の定格電流を決定する根拠となる電流IBは、次の計算値のうちいずれか小さい方になります。

【答え・ハ】
問題10
- 低圧屋内配線の分岐回路の設計で、配線用遮断器、分岐回路の電線の太さ及びコンセントの組合せとして、適切なものは。




ただし、分岐点から配線用遮断器までは3m、配線用遮断器からコンセントまでは8mとし、電線の数値は分岐回路の電線(軟銅線)の太さを示す。 また、コンセントは兼用コンセントではないものとする。
【解説】
| 20A分岐回路 |
|---|
|
| 30A分岐回路 |
|---|
|
| 40A分岐回路 |
|---|
|
ロは電線の太さが不適切である。
ハは定格電流30Aのコンセントなので不適切である。
ニは電線の太さが不適切である。
従って正しいのはイです。
【答え・イ】
Sponsored link





