令和3年度下期午後
問題1
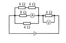
- 図のような回路で,電流計Aの値が 2 A を示した。このときの電圧計 V の指示値 [V] は。
- イ.16
- ロ.32
- ハ.40
- ニ.48

【解説】
電流計が2Aを示したということなので、そこには16Vの電圧がかかります。

【答え・ロ】
問題2
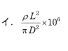
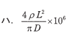
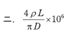
- 抵抗率 ρ[Ω・m],直径 D [mm],長さL[m] の導線の電気抵抗 [Ω] を表す式は。




【解説】
電気抵抗(R)は、導体の長さ L に比例し、断面積A に反比例する。


ただし、×106は直径のmmをmに直したためです。
【答え・ロ】
問題3
- 消費電力が500Wの電熱器を、1時間30分使用したときの電熱量[kJ]は。
- イ.450
- ロ.750
- ハ.1800
- ニ.2700
【解説】
発熱量=(消費電力)W×秒数
になります。
今回は1時間30分なので
1時間30分=1.5 x 60 x 60 =5400秒
になり
500 x 5400=2700000=2700[kJ]
になります。
【答え・ニ】
問題4
- 単相200Vの回路に、消費電力2.0kW、力率80%の負荷を接続した場合、回路に流れる電流[A]は。
- イ.7.2
- ロ.8.0
- ハ.10.0
- ニ.12.5
【解説】
回路に流れる電流をI [A],負荷の消費電力を P [W],電圧を V [V],力率を cosθ とすると

【答え・ニ】
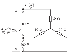
問題5
- 図のような三相3線式回路に流れる電流I[A]は。
- イ.8.3
- ロ.11.6
- ハ.14.3
- ニ.20.0

【解説】


【答え・ロ】
Sponsored link





