令和3年度下期午前
問題1
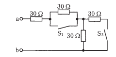
- 図のよう回路で、スイッチS1を閉じ、スイッチS2を開いたときの、端子a-b間の合成抵抗[Ω]は。
- イ.45
- ロ.60
- ハ.75
- ニ.120

【解説】
スイッチS1を閉じ、スイッチS2を開いたときの電流の流れは以下のようになります。

30Ωと30Ωの直列回路になります。
30 + 30=60Ω
【答え・ロ】
問題2
- 電気抵抗R[Ω]、直径D[mm]、長さL[m]の導線の抵抗率[Ω・m]を表す式は。




【解説】
電気抵抗(R)は、導体の長さ L に比例し、断面積A に反比例する。


ただし、×106は直径のmmをmに直したためです。

【答え・ハ】
問題3
- 消費電力が300Wの電熱器を、2時間使用したときの発熱量[kJ]は。
- イ.600
- ロ.1080
- ハ.2160
- ニ.3600
【解説】
発熱量=(消費電力)W×秒数
になります。
2時間=2.0 x 60 x 60 =7200秒
になり
300 x 7200=2160000=2160[kJ]
【答え・ハ】
問題4
- 図のような抵抗とリアクタンスとが直列に接続された回路の消費電力[W]は。
- イ.600
- ロ.800
- ハ.1000
- ニ.1250

【解説】
回路に流れる電流の大きさは,次式で求められる。

8 x 102=800Wになります。
【答え・ロ】
問題5
- 図のような三相負荷に三相交流電圧を加えたとき、各線に20Aの電流が流れた。線間電圧E[V]は。
- イ.120
- ロ.173
- ハ.208
- ニ.240

【解説】
線電流I1[A]、相電流Ip、相電圧Ep[V]とした場合
I1=Ip=20A
E=√Ep[V]となるので
E=√3RIp=1.73x 6 x 20=207.6=208[V]
【答え・ハ】
Sponsored link





