令和3年度上期午後
問題1
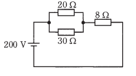
- 図のような回路で、8Ωの抵抗での消費電力[W]は。
- イ.200
- ロ.800
- ハ.1200
- ニ.2000

【解説】
8Ωの抵抗の消費電力[W]は以下の式で求めることができます。

8Ωに流れる電流が分かれば消費電力が分かります。
8Ωに流れる電流Iは

消費電力P=I2 x 8=800W
従ってロになります。
【答え・ロ】
問題2
- 直径2.6mm長さ20mの銅導線と抵抗値が最も近い同材質の銅導線は。
- イ.断面積8mm2、長さ40m
- ロ.断面積8mm2、長さ20m
- ハ.断面積5.5mm2、長さ40m
- ニ.断面積5.5mm2、長さ20m
【解説】
まず
- 導線の抵抗値は、導線の長さに比例します。つまり、長さが2倍、3倍となれば、抵抗値も2倍、3倍になります。
- 導線の抵抗値は、導線の断面積に反比例します。つまり、断面積が2倍、3倍となれば、抵抗値は1/2倍、1/3倍になります。
断面積=半径 x 半径 x 円周率
になります。
半径は直径÷2
円周率は3.14
で計算すると
断面積=1.3 x 1.3 x 3.14=5.3mm2
になります。
従って問題文は
断面積5.3mm2長さ20mの銅導線と抵抗値が最も近い同材質の銅導線は。
に書き換えることは出来ました。
上記で述べた長さが倍なら抵抗値も倍になり(比例する)、断面積が倍なら抵抗値は半分になる(反比例する)
- イは断面積1.51倍で長さが2倍なので2÷1.51=抵抗が1.32倍
- ロは断面積1.51倍で長さが1倍なので1÷1.51=抵抗が0.66倍
- ハは断面積1.03倍で長さが2倍なので2÷1.03=抵抗が1.94倍
- ニは断面積1.03倍で長さが1倍なので1÷1.03=抵抗が0.97倍
【答え・ニ】
問題3
- 消費電力が400Wの電熱器を1時間20分使用した時の発熱量[kJ]は。
- イ.960
- ロ.1920
- ハ.2400
- ニ.2700
【解説】
発熱量=(消費電力)W×秒数
になります。
今回は1時間20分なので
1時間20分=80(分) x 60 =4800秒
400 x 4800=1920000=1920[kJ]
になります。
【答え・ロ】
問題4
- 図のような回路で、電源電圧が24V、抵抗R=4Ωに流れる電流が6A、リアクタンスXL=3Ωに流れる電流が8Aであるとき、回路の力率「%]は。
- イ.43
- ロ.60
- ハ.75
- ニ.80

【解説】
力率は抵抗のみについて考えればいいので、回路の電流がI
抵抗に流れる電流がIRとすると以下の式で求めることができます。

【答え・ロ】
問題5
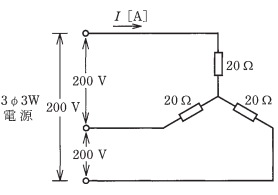
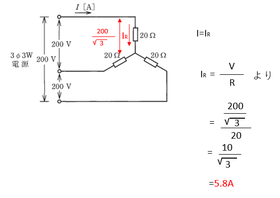
- 図のような三相3線式回路に流れる電流I[A]は。
- イ.2.9
- ロ.5.0
- ハ.5.8
- ニ.10.0

【解説】
この回路はスター(Y)回路になるので
相電流=線間電流
になります。
つまり以下の図のようになります。

【答え・ハ】
Sponsored link





