令和3年度上期午前
問題1
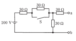
- 図のような回路で、スイッチSを閉じたとき、a-b端子間の電圧[V]は。
- イ.30
- ロ.40
- ハ.50
- ニ.60

【解説】
スイッチSを閉じると、電流は抵抗がほぼないスイッチS側を流れて、並列の抵抗のほうには流れません。

この場合の合成抵抗は30Ωが2つ直列につながっております。
30 + 30 = 60Ωになります。
次に回路に流れる電流は

【答え・ハ】
問題2
- 抵抗R[Ω]に電圧[V]を加えると、電流I[A]が流れ、P[W]の電力が消費される場合、抵抗R[Ω]が示す式として、誤っているものは。




【解説】
オームの法則より

【答え・イ】
問題3
- 電線の接触不良により、接続点の接触抵抗が0.5Ωとなった。この電線に20Aの電流が流れると、接続点から1時間に発生する熱量[kJ]は。
- イ.72
- ロ.144
- ハ.720
- ニ.1440
ただし、接触抵抗の値は変化しないものとする。
【解説】
電線の接続点の接触抵抗RΩを,流れる電流IAを,流れた時間をtsとすると、その点に発生する熱量は以下の式で表されます。
W=I2Rt[J]
1時=60分x60秒=3600秒になるので
W=202 x 0.5 x 3600=720000J=720kJ
【答え・ハ】
問題4
- 図のような抵抗とリアクタンスとが並列に接続された回路の消費電力[W]は。
- イ.500
- ロ.625
- ハ.833
- ニ.1042
【解説】
回路の消費電力とは抵抗のみの電力rになるので

【答え・ロ】
問題5
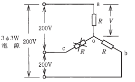
- 図のような三相3線式200Vの回路で、c-o間の抵抗が断線した。断線前と断線後のa-o間の電圧Vの値[V]の組合せとして、正しいものは。
- イ.断線前116 断線後116
- ロ.断線前116 断線後100
- ハ.断線前100 断線後116
- ニ.断線前100 断線後100

【解説】

断戦後の回路は以下のようになります。

【答え・ロ】
Sponsored link





