令和3年度下期午後
図は、鉄筋軽量コンクリート造一部2階建工場及び倉庫の配線図である。この図に関する次の各問いには4通りの答え(イ、ロ、ハ、ニ)が書いてある。それぞれの問いに対して、答えを1つ選びなさい。
【注意】
- 屋内配線の工事は動力回路及び特記のある場合を除き600Vビニル絶縁ビニルシースケーブル平形(VVF)を用いたケーブル工事である。
- 屋内配線等の電線の本数、電線の太さ、その他、問いに直接関係のない部分等は省略又は簡略化してある。
- 漏電遮断器は、定格感度電流30mA、動作時間0.1秒以内のものを使用している。
- 選択枠(答え)の写真にあるコンセント及び点滅器は、「JISC0303:2000)構内電気設備の配線用図記号」で示す「一般形」である。
- 配電盤、分電盤及び制御盤の外箱は金属製である。
- ジョイントボックスを経由する電線は、すべて接続箇所を設けている。
- 3路スイッチの記号「0」の端子には、電源側又は負荷側の電線を結線する。
問題46
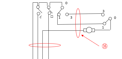
- ⑯で示す部分の配線工事に必要なケーブルは。




ただし、心線数は最少とする。
【解説】

従って3心になります。
また【注意】1に
屋内配線の工事は動力回路及び特記のある場合を除き600Vビニル絶縁ビニルシースケーブル平形(VVF)を用いたケーブル工事である。
との記載がありますので
600Vビニル絶縁ビニルシースケーブル平形(VVF)になりますのでハのVVF3心になります。
- イはVVR-2心である。
- ロはVVF-2心である。
- ニはVVR-3心である。
【答え・ハ】
問題47
- ⑰で示す部分に使用するトラフは。




【解説】
トラフの写真は、選択肢のうちロとなります。
- イは埋設表示シートです。
- ハはFEP管(波付硬質合成樹脂管)です。
- ニは600Vビニル絶縁ビニルシースケーブル丸形(VVR)です。
【答え・ロ】
問題48
- ⑱で示す図記号の機器は。




【解説】
⑱で示す図記号は、イのコンデンサである。
- ロはネオン変圧器です。
- ハは配線用遮断器です。
- ニは電磁開閉器です。
【答え・イ】
問題49
- ⑲で示す部分を金属管工事で行う場合、管の支持に用いる材料は。




【解説】
金属管工事において、管の支持に用いるのはロの電線管支持金具です。
- イはねじなしボックスコネクタである。
- ハはユニバーサルである。
- ニはねじなしカップリングである。
【答え・ロ】
問題50
- ⑳で示すジョイントボックス内の電線相互の接続作業に使用されることのないものは。




【解説】
⑳で示すジョイントボックスでは、IV(直径14mm)とCV(直径14mm)を接続しないといけません。
イはリングスリーブ用の圧着工具です。
⑳で示すジョイントボックスでは使用できません。
- ロはケーブルカッタで、必要です。
- ハは電工ナイフで、必要です。
- ニは油圧式圧着器で、必要です。
【答え・イ】
Sponsored link





