令和2年度下期午後
図は、鉄骨軽量コンクリート造店舗平屋建の配線図である。この図に関する次の各問いには4通りの答え(イ、ロ、ハ、ニ)が書いてある。それぞれの問いに対して、答えを1つ選びなさい。
【注意】
- 屋内配線の工事は、特記のある場合を除き600Vビニル絶縁ビニルシースケーブル平形(VVF)を用いたケーブル工事である。
- 屋内配線等の電線の本数、電線の太さ、その他、問いに直接関係のない部分等は省略又は簡略化してある。
- 漏電遮断器は、定格感度電流30mA、動作時間0.1秒以内のものを使用している。
- 選択枠(答え)の写真にあるコンセント及び点滅器は、「JISC0303:2000)構内電気設備の配線用図記号」で示す「一般形」である。
- ジョイントボックスを経由する電線は、すべて接続箇所を設けている。
問題36

- ⑥で示す部分の電路と大地間との絶縁抵抗として、許容される最小値[MΩ]は。
- イ.0.1
- ロ.0.2
- ハ.0.4
- ニ.1.0
【解説】
⑥で示す部分は三相200V回路に接続されているため、使用電圧は300V以下、対地電圧は150V超となる。 したがって、この部分の電路と大地間の絶縁抵抗値は0.2MΩ以上でなければならない。
【答え・ロ】
問題37

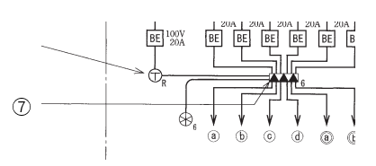
- ⑦で示す図記号の器具の名称は。
- イ.電磁開閉器
- ロ.押しボタンスイッチ
- ハ.リモコンリレー
- ニ.リモコンセレクタスイッチ
【解説】
⑦の図記号はリモコンリレーである。

【答え・ハ】
問題38

- ⑧で示す部分の接地工事の種類と接地線の最小太さの組合せで、正しいものは。
- イ.A種接地工事 2.6mm
- ロ.A種接地工事 1.6mm
- ハ.D種接地工事 2.6mm
- ニ.D種接地工事 1.6mm
【解説】
⑧は100Vの低圧設備ですのでD種接地工事を施します。
D種接地工事の接地線の最小太さは1.6mmですので、ニが適当です。
| A種接地工事 | 高圧または特別高圧に接地に施す。 |
|---|---|
| B種接地工事 | 高圧または特別高圧変圧器の混触防止のため、低圧側の中性点に施す。 |
| C種接地工事 | 300Vを超える低圧設備に施す。 |
| D種接地工事 | 300V以下の低圧設備に施す。 |
【答え・ニ】
問題39

- ⑨で示す図記号の器具を用いる目的は。
- イ.不平衡電流を遮断する。
- ロ.地絡電流のみを遮断する。
- ハ.過電流と地絡電流を遮断する。
- ニ.過電流のみを遮断する。
【解説】
⑨で示す図記号は電流計付箱開閉器である。
f 30Aと傍記されていますが、これは定格電流30Aのヒューズが設置されていることを意味しています。
【答え・ニ】
問題40

- ⑩で示す引込線取付点の地表上の高さの最低値[m]は。
- イ.2.0
- ロ.2.5
- ハ.3.0
- ニ.3.5
ただし、引込線は道路を横断せず、技術上やむを得ない場合で、交通に支障がないものとする。
【解説】
引込線の取付点の高さは 原則4m以上である。
ただし、引込線は道路を横断せず,技術上やむを得ない場合で,交通に支障がない場合は2.5m以上にすることができます。
【答え・ロ】
Sponsored link





