令和2年度下期午前
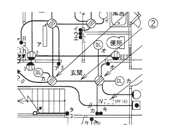
図は、木造2階建住宅及び車庫の配線図である。この図に関する次の各問いには4通りの答え(イ、ロ、ハ、ニ)が書いてある。それぞれの問いに対して、答えを1つ選びなさい。
【注意】
- 屋内配線の工事は、特記のある場合を除き600Vビニル絶縁ビニルシースケーブル平形(VVF)を用いたケーブル工事である。
- 屋内配線等の電線の本数、電線の太さ、その他、問いに直接関係のない部分等は省略又は簡略化してある。
- 漏電遮断器は、定格感度電流30mA、動作時間0.1秒以内のものを使用している。
- 選択枠(答え)の写真にあるコンセント及び点滅器は、「JISC0303:2000)構内電気設備の配線用図記号」で示す「一般形」である。
- 分電盤の外箱は合成樹脂製である。
- 3路スイッチの記号「0」の端子には、電源側又は負荷側の電線を結線する。
問題31

- ①で示す図記号の器具の種類は。
- イ.シーリング(天井直付)
- ロ.ペンダント
- ハ.埋込器具
- ニ.引掛シーリング(丸)
【解説】
①で示す図記号はシーリング(天井直付)です。

【答え・イ】
問題32

- ②で示す部分の最少電線本数(心線数)は。
- イ.2
- ロ.3
- ハ.4
- ニ.5
【解説】

【答え・ロ】
問題33

- ③で示す部分の小勢力回路で使用できる電線(軟銅線)の導体の最小直径[mm]は。
- イ.0.5
- ロ.0.8
- ハ.1.2
- ニ.1.6
【解説】
小勢力回路の規定は下記の通りです。
- 二次電圧は60V以下。
- 屋内では直径0.8mm以上の軟銅線を使用すること。
- 架空施設では、電線の太さは直径1.2mm以上を使用すること。
【答え・ロ】
問題34

- ④で示す部分はルームエアコンの屋外ユニットである。その図記号の傍記表示は。
- イ.O
- ロ.B
- ハ.I
- ニ.R
【解説】
屋内ユニットはINのI
屋外ユニットはOUTのOです。
従ってイが正しい。
【答え・イ】
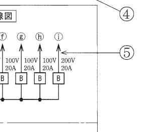
問題35

- ⑤で示す部分の電路と大地間の絶縁抵抗として、許容される最小値[MΩ]は。
- イ.0.1
- ロ.0.2
- ハ.0.4
- ニ.1.0
【解説】

⑤で示す部分は単相3線式100/200Vであるので、使用電圧は200Vですが対地電圧は100Vです。
従ってで示す部分の電路と大地間の絶縁抵抗は、対地電圧150V以下であるので0.1MΩ以上です。
従ってイです。
【答え・イ】
Sponsored link





