令和2年度下期午後
問題21
- 店舗付き住宅に三相200V、定格消費電力2.8kWのルームエアコンを施設する屋内配線工事の方法として、不適切なものは。
- イ.屋内配線には、簡易接触防護措置を施す。
- ロ.電路には漏電遮断器を施設する。
- ハ.電路には、他負荷の電路と共用の配線用遮断器を施設する。
- ニ.ルームエアコンは、屋内配線と直接接続して施設する。
【解説】
住宅の屋内電路対地電圧は150V以下でなければなりませんが、定格消費電力2kW以上の電気機械器具を下記のように施設する場合は、300V以下にすることができます。
- 漏電遮断器を施設すること。
- 屋内配線は、当該電気機械器具のみに電気を供給すること。
- 電気機械器具及び屋内配線には簡易接触防護措置を施すこと。
- 電気機器は屋内配線と直接接続すること。
- 専用の開閉器及び過電流遮断器を施設すること。
【答え・ハ】
問題22
- 機械器具の金属製外箱に施すD種接地工事に関する記述で、不適切なものは。
- イ.一次側200V、二次側100V、3kV・Aの絶縁変圧器(二次側非接地)の二次側電路に電動丸のこぎりを接続し、接地を施さないで使用する。
- ロ.三相200V定格出力0.75kW電動機外箱の接地線に直径1.6mmのIV電線(軟銅線)を使用した。
- ハ.単相100V移動式の電気ドリル(一重絶縁)の接地線として多心コードの断面積0.75mm2の1心を使用した。
- ニ.単相100V定格出力0.4kWの電動機を水気のある場所に設置し、定格感度電流15mA、動作時間0.1秒の電流動作型漏電遮断器を取り付けたので、接地工事を省略した。
【解説】
D種接地工事は下記の場合に省略できます。
- 対地電圧150V以下の機器を、乾燥した場所に設置。
- 二重絶縁構造の機器。
- 乾燥した木製の床など、絶縁性のものの上で取り扱う。
- 水気のある場所以外に設置した機器に、漏電遮断器(感度電流15mA以下、動作時間0.1秒以内)を施設。
【答え・ニ】
問題23
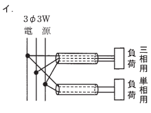
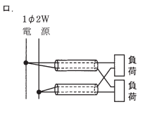
- 電磁的不平衡を生じないように、電線を金属管に挿入する方法として、適切なものは。




【解説】
三相式の配線で電磁的不平衡を起こさないようにするためには、他の配線からの電磁力を受けないように、負荷に至る電線一組を同一の金属管に収めることです。
つまり
- 単相2線式では2本
- 単相3線式では3本
- 三相3線式では3本
- 三相4線式では4本
従ってイが適切です。
【答え・イ】
問題24
- 回路計(テスタ)に関する記述として、正しいものは。
- イ.アナログ式で交流又は直流電圧を測定する場合は、あらかじめ想定される値の直近上位のレンジを選定して使用する。
- ロ.抵抗を測定する場合の回路計の端子における出力電圧は、交流電圧である。
- ハ.ディジタル式は電池を内蔵しているが、アナログ式は電池を必要としない。
- ニ.電路と大地間の抵抗測定を行った。その測定値は電路の絶縁抵抗値として使用してよい。
【解説】
ロは抵抗を測定する場合の回路計の端子における出力電圧は,直流電圧です。
ハはアナログ式も電池を必要とする。
二は絶縁抵抗値は絶縁抵抗測定器(メガ)で測定します。
従って適切なのはイになります。
イは電圧測定の場合、あらかじめ想定される値の直近上位のレンジを選定する。
【答え・イ】
問題25
- 単相3線式100/200Vの屋内配線において、開閉器又は過電流遮断器で区切ることができる電路ごとの絶縁抵抗の最小値として、「電気設備に関する技術基準を定める省令」に規定されている値[MΩ]の組合せで、正しいものは。
- イ.
電路と大地間 0.2
電線相互間 0.4 - ロ.
電路と大地間 0.2
電線相互間 0.2 - ハ.
電路と大地間 0.1
電線相互間 0.1 - ニ.
電路と大地間 0.1
電線相互間 0.2
【解説】

使用電圧300V以下、対地電圧150V以下で、開閉器または過電流遮断器で区切ることができる電路ごとの絶縁抵抗値は、電路と大地間は 0.1MΩ以上、電線相互間も同様に0.1MΩ以上である。
【答え・ハ】
Sponsored link





