令和2年度下期午後
問題1
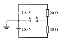
- 図のような直流回路で、a-b間の電圧[V]は。
- イ.10
- ロ.20
- ハ.30
- ニ.40

【解説】
回路の全電圧は、すべての電圧の和になります。
100 + 100=200V
b点の電位は、分圧の式より

【答え・ロ】
問題2
- A、B2本の同材質の銅線がある。Aは直径1.6mm、長さ100m、Bは直径3.2mm、長さ50mである。Aの抵抗はBの抵抗の何倍か。
- イ.1
- ロ.2
- ハ.4
- ニ.8
【解説】
導体の抵抗R[Ω]は、導体の長さをl[m]、導体の断面積をAmm2、抵抗率をρ[Ω・mm2/m]とすると次式で表されます。

また断面積は以下の式で表されます。

AとBをそれぞれ計算していくと

従ってニの8倍になります。
【答え・ニ】
問題3
- 電線の接続不良により、接続点の接触抵抗が0.2Ωとなっった。この電線に10Aの電流が流れると、接続点から1時間に発生する熱量[kJ]は。
- イ.72
- ロ.144
- ハ.288
- ニ.576
ただし、接触抵抗の値は変化しないものとする。
【解説】
電線の接続点の接触抵抗をR[Ω]、流れる電流をI[A]、流れた時間t[s]とすると、その点に発生する熱量Wは以下の式で表されます。

W=102x0.2x60x60=72000J=72kJ
【答え・イ】
問題4
- 図のような交流回路で、電源電圧204V、抵抗の両端の電圧が180V、リアクタンスの両端の電圧が96Vであるとき、負荷の力率[%]は。
- イ.35
- ロ.47
- ハ.65
- ニ.88

【解説】
抵抗とコイルが直列接続された回路の力率は、以下のように求めることができます。

【答え・ニ】
問題5
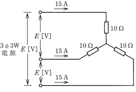
- 図のような三相負荷に三相交流電圧を加えたとき、各線に15Aの電流が流れた。線間電圧E[V]は。
- イ.150
- ロ.212
- ハ.260
- ニ.300

【解説】
この回路はスター回路になるので
線電流I=相電流Ip
になります。つまり相電流=15Aになります。

線間電圧E[V]は次のように求めることができます。

【答え・ハ】
Sponsored link





