令和2年度下期午前
問題1
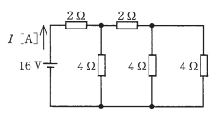
- 図のような直流回路に流れる電流I[A]は。
- イ.1
- ロ.2
- ハ.4
- ニ.8

【解説】

【答え・ハ】
問題2
- A、B 2本の同材質の銅線がある。Aは直径16mm、長さ20m、Bは直径3.2mm、長さ40mである。Aの抵抗はBの何倍か。
- イ.2
- ロ.3
- ハ.4
- ニ.5
【解説】
導体の抵抗R[Ω]は、導体の長さをl[m]、導体の断面積をAmm2、抵抗率をρ[Ω・mm2/m]とすると次式で表されます。

また断面積は以下の式で表されます。


【答え・イ】
問題3
- 電線の接触不良により、接続点の接触抵抗が0.2Ωとなった。この電線に15Aの電流が流れると、接続点から1時間に発生する熱量[kJ]は。
- イ.11
- ロ.45
- ハ.72
- ニ.162
ただし、接触抵抗の値は変化しないものとする。
【解説】
電線の接続点の接触抵抗をR[Ω]、流れる電流をI[A]、流れた時間t[s]とすると、その点に発生する熱量Wは以下の式で表されます。

W=152x0.2x60x60=162000J=162kJ
【答え・ニ】
問題4
- 図のような交流回路の力率[%]を示す式は。





【解説】
力率は直列回路なので、ベクトルで求めることができます。
抵抗が[Ω]、リアクタンスが[Ω]、インピーダンスがZ[Ω]とすると、i力率cosΘは以下のような関係になります。

【答え・ロ】
問題5
- 定格電圧V[V]、定格電流I[A]の三相誘導電動機を定格状態で時間t[h]の間、連続運転したところ、消費電力量がW[kW・h]であった。この電動機の力率[%]を表す式は。




【解説】
三相誘導電動機の消費電力量Wは、線間電圧Vを、線電流Iを,力率をcosΘ,運転時間をt[h]とすると、

【答え・ニ】
Sponsored link





