令和元年度下期
図は、鉄筋コンクリート造集合住宅の1戸部分の配線図である。この図に関する次の各問いには4通りの答え(イ、ロ、ハ、ニ)が書いてある。それぞれの問いに対して、答えを1つ選びなさい。
【注意】
- 屋内配線の工事は、特記のある場合を除き600Vビニル絶縁ビニルシースケーブル平形(VVF)を用いたケーブル工事である。
- 屋内配線等の電線の本数、電線の太さ、その他、問いに直接関係のない部分等は省略又は簡略化してある。
- 漏電遮断器は、定格感度電流30mA、動作時間0.1秒以内のものを使用している。
- 選択枠(答え)の写真にあるコンセント及び点滅器は、「JISC0303:2000)構内電気設備の配線用図記号」で示す「一般形」である。
- ジョイントボックスを経由する電線は、すべて接続箇所を設けている。
- 3路スイッチの記号「0」の端子には、電源側又は負荷側の電線を結線する。
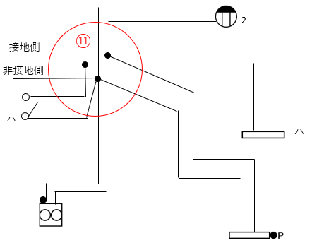
問題41

- ⑪で示すボックス内の接続をすべて圧着接続とする場合、使用するリングスリーブの種類と最少個数の組合せで、正しいものは。




ただし、使用する電線はすべてVVF1.6とする。
【解説】

- 1.6mmx 2本(小スリーブ)
- 1.6mmx 5本(中スリーブ)
- 1.6mmx 5本(中スリーブ)
【答え・イ】
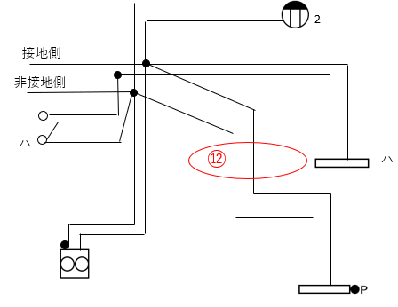
問題42

- ⑫で示す部分の配線工事に使用するケーブルは。




ただし、心線数は最少とする。
【解説】

⑫で示す部分には2芯のケーブルを使用します。
問題ではVVFケーブル工事とありますからロのVVF2芯になります。
イはVVR2芯
ロはVVR3芯
二はVVF3芯
です。
【答え・ロ】
問題43

- ⑬で示す図記号の器具は。




【解説】
⑬で示す図記号はボックスなしプルスイッチ付き蛍光灯です。写真はニになります。

【答え・ニ】
問題44

- ⑭で示す部分に取り付ける機器は。




【解説】
BEと記載されているのは過負荷保護付き漏電遮断器(BE)です。テストボタンがあるのが特徴です。
電路に過電流又は地絡が発生した場合に電路を開放する機器で、写真ではハになります。

ロは零相変流器
二は配線用遮断器
【答え・ハ】
問題45

- ⑮で示す回路の負荷電流を測定するものは。




【解説】
⑮で示す回路の負荷電流を測定するものは、クランプ型電流計です。
ケーブルを挟んで使用し電気機器の負荷電流を測定します。写真ではニになります。
イは回路計です。
ロは照度計です。
ハは検相器です。
【答え・ニ】
Sponsored link





