令和元年度下期
問題21
- 木造住宅の単相3線式100/200 V 屋内配線工事で,不適切な工事方法は。
- イ.合成樹脂製可とう電線管(CD管)を木造の床下や壁の内部及び天井裏に配管した。
- ロ.合成樹脂製可とう電線管(PF管)内の通線し、支持点間の距離を1.0mで造営材に固定した。
- ハ.同じ径の硬質塩化ビニル電線管(VE)2本をTSカップリングで接続した。
- ニ.金属管を点検できない隠ぺい場所で使用した。
ただし,使用する電線は600Vビニル絶縁電線,直径1.6 mm (軟銅線)とする。
【解説】
- 金属管工事
- ケーブル工事
- 合成樹脂管工事(CD管を除く)
- 2種金属可とう電線管工事
ところでイはCD管についてですがCD管はコンクリート用の埋込配線にて使用しなければならない。
従ってイが誤りです。
【答え・イ】
問題22
- D種接地工事を省略できないものは。
- イ.乾燥した場所に施設する三相200V(対地電圧200V)動力配線の電線を収めた長さ3mの金属管
- ロ.乾燥した場所に施設する単相3線式100/200V(対地電圧100V)配線の電線を収めた長さ6mの金属管
- ハ.乾燥した木製の床の上で取り扱うように施設する三相200V(対地電圧200V)空気圧縮機の金属製外箱部分。
- ニ.乾燥した場所のコンクリートの床に施設した三相200V(対地電圧200V)誘導電動機の鉄台
ただし、電路には定格感度電流30mA、定格動作時間0.1秒の漏電遮断器が取り付けられているものとする。
【解説】
電技解釈第29条において、接地工事が省略できる条件は、以下のように定められています。
- 対地電圧が150V以下の機器を乾燥した場所に施設する場合。
- 電路の電源側に絶縁変圧器を施設し、機械器具側の電路を非接地とする場合。
- 低圧用の機械器具を絶縁物(乾燥した木製の床など)の上で取り扱う場合。
- 二重絶縁構造の機械器具を施設する場合。
- 鉄台や外箱の周囲に絶縁台を設ける場合。
- 水気がない場所において、電路に漏電遮断器(電気用品安全法の適用を受けた定格感度電流が以下、動作時間が秒以下の電流動作型のもの)を施設する場合。
ニのコンクリートの床は絶縁性の物とみなさないため省略できない。
【答え・ニ】
問題23
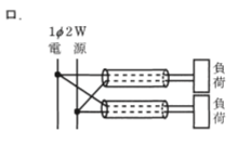
- 電磁的不平衡を生じないように、電線を金属管に挿入する方法として、適切なものは。




【解説】
電磁的不平衡を生じないようにするには、往復線を同一管内に収める。
つまり
ロのように同一管内に収めること。
- 単相2線式では2本を同一管内に収めること。
- 単相3線式では3本を同一管内に収めること。
- 三相3線式では3本を同一管内に収めること。
- 三相4線式では4本を同一管内に収めること。
【答え・ロ】
問題24
- 屋内配線の検査を行う場合、器具の使用方法で、不適切なものは。
- イ.検電器で充電の有無を確認する。
- ロ.接地抵抗計(アーステスタ)で接地抵抗を測定する。
- ハ.回路計(テスタ)で電力量を測定する。
- ニ.絶縁抵抗(メガー)で絶縁抵抗を測定する。
【解説】
回路計(テスタ)は電圧、抵抗、導通等を測定するために使用します。
電力は測定できません。
【答え・ハ】
問題25
- 分岐開閉器を開放して負荷を電源から完全に分離し、その負荷側の低圧屋内電路と大地間の絶縁抵抗を一括測定する方法として、適切なものは。
- イ.負荷側の点滅器をすべて「切」にして、常時配線に接続されている負荷は、使用状態にしたままで測定する。
- ロ.負荷側の点滅器をすべて「切」にして、常時配線に接続されている負荷は、すべて取り外して測定する。
- ハ.負荷側の点滅器をすべて「入」にして、常時配線に接続されている負荷は、使用状態にしたままで測定する。
- ニ.負荷側の点滅器をすべて「入」にして、常時配線に接続されている負荷は、すべて取り外して測定する。
【解説】
低圧屋内電路と大地間の絶縁抵抗を測定するときは、負荷側の電気機器を接続したまま、開閉器や点滅器を「入」状態で測定します。
従ってハが正しい。
【答え・ハ】
Sponsored link





