令和元年度下期
問題6
- 図のような単相3線式回路で、消費電力100W、500Wの2つの負荷はともに抵抗負荷である。図中のx印点で断線した場合、a-b間の電圧[V]は。
- イ.33
- ロ.100
- ハ.167
- ニ.200
ただし、断線によって負荷の抵抗値は変化しないものとする。

【解説】
×点で断線した場合、下図のような単相200V回路となる。

【答え・ハ】
問題7
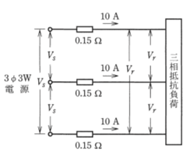
- 図のような三相3線式回路で、電線1腺当たりの抵抗が0.15Ω、線電流が10Aのとき、電圧降下(Vs-Vr)[V]は。
- イ.1.5
- ロ.2.6
- ハ.3.0
- ニ.4.5

【解説】
三相3線式回路で電線1線当たりの抵抗r,線電流かIのときの電圧降下vは以下の式で表されます。

【答え・ロ】
問題8
- 合成樹脂製可とう電線管(PF管)による低圧屋内配線工事で、管内に断面積5.5mm2の600Vビニル絶縁電線(軟銅線)3本を収めて施設した場合、電線1本当たりの許容電流[A]は。
- イ.26
- ロ.34
- ハ.42
- ニ.49
ただし、周囲温度は30℃以下、電流減少係数は0.70とする。
【解説】
| 電線の断面積 | 許容電流 |
|---|---|
| 2.0mm2 | 27A |
| 3.5mm2 | 37A |
| 5.5mm2 | 49A |
| 8mm2 | 61A |
| 14mm2 | 88A |
| 管内の電線数 | 電流減少係数 |
|---|---|
| 3本以下 | 0.7 |
| 4本 | 0.63 |
| 5~6本 | 0.56 |
| 7~15本 | 0.49 |
5.5mm2の許容電流は49Aなので
49 x 0.7=34.3A
になりますのでロが正しい。
【答え・ロ】
問題9
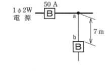
- 図のように定格電流50Aの過電流遮断器で保護された低圧屋内幹線から分岐して、7mの位置に過電流遮断器を施設するとき、a-b間の電線の許容電流の最小値[A]は。
- イ.12.5
- ロ.17.5
- ハ.22.2
- ニ.27.5

【解説】
幹線の過電流遮断器の定格電流をIB、分岐点から電線の許容電流をIWとすると、電技解釈第149条により、分岐回路の過電流遮断器を分岐点からを3m超え8m以下の位置に施設する場合は、IWをIBの35%以上にしなければならない。
従って問題では定格電流50Aなので
50 x 0.35=17.5Aになります。
【答え・ロ】
問題10
- 定格電流30Aの配線用遮断器で保護される分岐回路の電線(軟銅線)の太さと、接続できるコンセントの図記号の組合せとして、適切なものは。




ただし、コンセントは兼用コンセントではないものとする。
【解説】
| 20A分岐回路 |
|---|
|
| 30A分岐回路 |
|---|
|
| 40A分岐回路 |
|---|
|
| 50A分岐回路 |
|---|
|
配線用遮断器30Aは、電線の太さ直径2.6mm、断面積5.5mm2
、コンセントの定格電流20~30Aと規定されています。
イの図記号は定格電流15Aの2口コンセント、断面積5.5mm2である。
従って定格電流20~30A以下なので不適切です。
ロの図記号は定格電流15Aの3口コンセント、断面積3.5mm2である。
従って定格電流20~30A以下、断面積5.5mm2なので不適切です。
ハの図記号は定格電流20Aコンセント、直径2.0mmである。
従って、直径2.6mm以下なので不適切です。
ニの図記号は定格電流20Aコンセント、断面積5.5mm2である。
よって、規定通りであるので正しい。
【答え・ニ】
Sponsored link





