令和元年上期
問題6
- 図のような単相2線式回路において、c-c'間の電圧が100Vのとき、a-a'間の電圧[V]は。
- イ.102
- ロ.103
- ハ.104
- ニ.105
ただし、rは電線の電気抵抗[Ω]とする。

【解説】
a-a'間の電圧[V]を求めるにはb-c 間,b'-c' 間の電圧降下、a-b 間,a'-b' 間の電圧降下を求めてc-c'間の電圧100Vに電圧降下分を加えてやればa-a'間の電圧[V]が分かります。

2 x 0.1[Ω] x 10[A]=2[V]
a-b 間,a'-b' 間の電圧降下は,次式で求められる。
2 x 0.1[Ω] x 15[A]=3[V]
a-a'間の電圧[V]は以下のようになります。
100 + 2 + 3=105[V]
【答え・ニ】
問題7
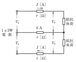
- 図のような単相3線式回路で、電線1線当たりの抵抗がr[Ω]、負荷電流がI[A]、中性線に流れる電流が0Aのとき、電圧降下(Vs ー Vr)を示す式は。
- イ.2rI
- ロ.3rI
- ハ.rI
- ニ.√3rI

【解説】
中性線に流れる電流が0Aなので、中性線にかかる電圧降下は無視できます。
したがって電線1線当たりの抵抗がr[Ω]、線電流がI[A}のとき、電線路の
電圧降下は(VS-Vr)[V]は
(Vs-Vr)=rI[V]
になります。
【答え・ハ】
問題8
- 金属管による低圧屋内配線工事で、管内に直径2.0mmの600Vビニル絶縁電線(軟銅線)5本を収めて施設した場合、電線1本当たりの許容電流[A]は。
- イ.10
- ロ.15
- ハ.19
- ニ.27
ただし、周囲温度は30℃以下、電流減少係数は0.56とする。
【解説】
| 電線の直径 | 許容電流 |
|---|---|
| 1.6mm | 27A |
| 2.0mm | 35A |
| 2.6mm | 48A |
| 3.2mm | 62A |
| 管内の電線数 | 電流減少係数 |
|---|---|
| 3本以下 | 0.7 |
| 4本 | 0.63 |
| 5~6本 | 0.56 |
| 7~15本 | 0.49 |
35 x 0.56=19.6=19A
従ってハです。
【答え・ハ】
問題9
- 図のように定格電流100Aの過電流遮断器で保護された低圧屋内幹線から分岐して、6mの位置に過電流遮断器を施設するとき、a-b間の電線の許容電流の最小値[A]は。
- イ.25
- ロ.35
- ハ.45
- ニ.55

【解説】
幹線の過電流遮断器の定格電流をIB、分岐点から電線の許容電流をIWとすると、電技解釈第149条により、分岐回路の過電流遮断器を分岐点から3mを超え8m以下の位置に施設する場合は、IWをIBの35%以上にしなければならない。
従って許容電流の最小値は0.35 x 100=35A
になります。
| IBに対するIWの割合 | 施設位置 |
|---|---|
| IWがIBの35%以上の場合 | 分岐点から8m以下の位置 |
| IWがIBの55%以上の場合 | 制限なし |
【答え・ロ】
問題10
- 低圧屋内配線の分岐回路の設計で、配線用遮断器の定格電流とコンセントの組合せとして、不適切なものは。




【解説】
| 20A分岐回路 |
|---|
|
| 30A分岐回路 |
|---|
|
| 40A分岐回路 |
|---|
|
イは適切です。
ロは定格電流15Aのコンセントなので不適切です。
ハは適切です。
ニは適切です。
【答え・ロ】
Sponsored link





