令和元年度上期午前
問題1
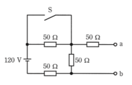
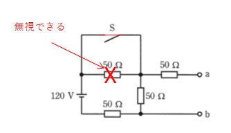
- 図のような回路で、スイッチSを閉じたとき、a-b端子間の電圧[V]は。
- イ.30
- ロ.40
- ハ.50
- ニ.60

【解説】

また、a-b端子間は開放されていて電流は流れませんので、a端子にある抵抗は無視できます。
したがって、電源電圧120Vに対し、抵抗50Ωが2つ直列になっている回路となり、a-b端子間の電圧Vは、以下のようになります。
分圧の法則より

【答え・ニ】
問題2
- ビニル絶縁電線(単心)の導体の直径をD、長さをLとするとき、この電線の抵抗と許容電流に関する記述として、誤っているものは。
- イ.許容電流は、周囲の温度が上昇すると、大きくなる。
- ロ.電線の抵抗は、D2に反比例する。
- ハ.電線の抵抗は、Lに比例する。
- ニ.許容電流は、Dが大きくなると、大きくなる。
【解説】
抵抗率ρ[Ω・m] ,直径D[mm] ,長さL[m]の導線の電気抵抗Rは、以下の式で表されます。

ロは上記式より電線の抵抗はD2に反比例する。
ハは上記式より電線の抵抗はLに比例する。
ニの許容電流は、Dが大きくなると、大きくなる。
従ってイが不適当です。
【答え・イ】
問題3
- 電熱器により、60kgの水の温度を20K上昇させるのに必要な電力量[kW・h]は。
- イ.1.0
- ロ.1.2
- ハ.1.4
- ニ.1.6
ただし、水の比熱は4.2kJ/(kg・K)とし、熱効率は100%とする。
【解説】
水の質量を60 kg、 水の比熱4.2 kJ/(kg・K) を20 K上昇させる熱量QkJ]は、以下のようになります。
Q=60 x 20 x 4.2=5040[kJ]
1時間は3600秒なので3600J=1W・h
であるから必要な電力量[kW・h]は以下のように求めることができます。

【答え・ハ】
問題4
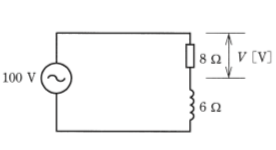
図のような交流回路において、抵抗8Ωの両端の電圧V[V]は。
- イ.43
- ロ.57
- ハ.60
- ニ.80
【解説】
図の交流回路において、合成インピーダンスは、以下のようになります。

【答え・ニ】
問題5
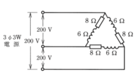
- 図のような三相3線式回路の全消費電力[kW]は。
- イ.2.4
- ロ.4.8
- ハ.9.6
- ニ.19.2

【解説】
図の交流回路において、合成インピーダンスは、以下のようになります。


P=8 x 202=3200[W]
したがって、三相回路での全消費電力は、以下のようになります。
3 x 3200 = 9600W=9.6kW
【答え・ハ】
Sponsored link





