令和7年下期
問題46
⑥に設置する機器として,一般的に使用されるものの図記号は。
【解説】
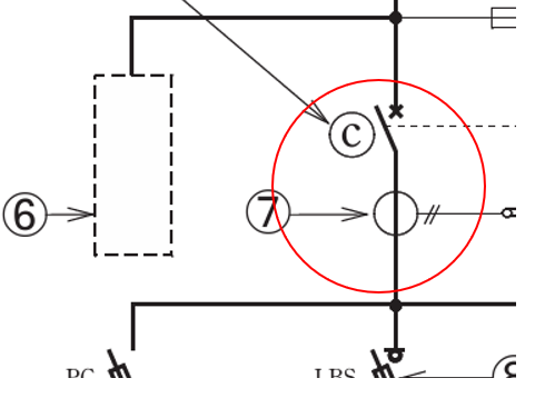
⑥はこの部分です。

ポイントは接点記号の違いです。
- イは電磁開閉器の電磁接触器のメーク接点
- ロは遮断器(CB)
- ハは断路器
- 二は負荷開閉器(LBS)
【答え・二】
問題47
- ⑦で示す機器の役割は。
- イ.地絡電流を検出する。
- ロ.高電圧を低電圧に変成する。
- ハ.高圧電路の電流を変成する。
- ニ.電路に侵入した過電圧を抑制する。
【解説】
⑦はこの部分です。

【答え・ハ】
問題48
- ⑧で示す機器の名称は。
- イ.ヒューズ付断路器
- ロ.ヒューズ付高圧カットアウト
- ハ.限流ヒューズ付高圧交流遮断器
- ニ.限流ヒューズ付高圧交流負荷開閉器
【解説】
⑧はこの部分です。

【答え・二】
問題49
⑨で示す部分に使用する CVT ケーブルとして,適切なものは。
【解説】
⑨はこの部分です。

写真の
イは高圧用CVケーブルです。
ロは低圧用のCVTケーブルです。
ハは高圧用CVTケーブルです。
二は低圧用のVVRケーブルです。
⑨の部分は低圧側配線になります。
CVTケーブルはロになります
【答え・ロ】
問題50
- ⑩で示す動力制御盤内から電動機に至る配線で,必要とする電線本数(心線数)は。
- イ.3
- ロ.4
- ハ.5
- ニ.6
【解説】
⑩はこの部分です。

以下のような配線になり6本必要です。

【答え・二】
Sponsored link





