令和7年下期
問題6
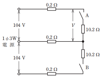
- 図のような単相 3 線式電路において,スイッチ A 及びスイッチ B を閉じているとき,図中の電圧 V は 102 V であった。スイッチ Aは閉じたままで,スイッチ B を開いた場合,電圧 V はどのように変化するか。
- イ.2 V 下がる。
- ロ.変化しない。
- ハ.1 V 上がる。
- ニ.3 V 上がる。
ただし,電源電圧は 104 V 一定で,電線1 線当たりの抵抗は 0.2Ω であり,負荷抵抗は10.2Ω一定であるとする。

【解説】
まずこの回路は負荷抵抗がともに10.2Ωと10.2Ωです。
この場合は平衡状態となり真ん中の中性線には電流が流れませんので0Aとなります。

電圧降下が0.2Vということがわかります。

したがって
中性線にも電流が流れることになり
中性線でも電圧降下が2V発生します。
その結果電圧が2V下がることになります。
したがってイが正しい。
【答え・イ】
問題7
- 図のような単相 3 線式配電線路において,負荷 A,負荷 B ともに消費電力 800 W,力率0.8(遅れ)である。負荷電圧がともに 100 V であるとき,この配電線路の電力損失[W]は。
- イ.40
- ロ.60
- ハ.80
- ニ.120
ただし,電線 1 線当たりの抵抗は 0.4Ω とし,配電線路のリアクタンスは無視する。

【解説】
2線式配電線路の電力降下Vは以下の式で求めることができる。
リアクタンスをxとすると
V=2I(rcosΘ)+xsinΘ)
またこの回路は負荷A負荷Bともに800W(力率0.8)で同じなので平衡状態になるので
中性線には電流が流れません。
0Aです。
また、この回路の有効電力が800Wで力率0.8なので皮相電力は1000Wになります。
配電線路1本に流れる電流は、皮相電力1000W / 100V=10A
になります。
配線電路の電力損失は
P=2I2R= 2 x 102 x 0.4=2 x 100 x 0.4 = 80W
【答え・ハ】
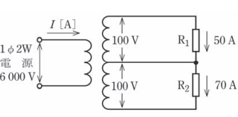
問題8
- 図のような配電線路において,抵抗負荷 R1に 50 A,抵抗負荷 R2 には 70 A の電流が流れている。変圧器の一次側に流れる電流 I [A]の値は。
- イ.1
- ロ.2
- ハ.3
- ニ.4
ただし,変圧器と配電線路の損失及び変圧器の励磁電流は無視するものとする。

【解説】
変圧器の1次側の電力と2次側の電力は等しくなります。
したがって
1次側の電力= 6000 x I
2次側の電力=(100V x 50A) + (100V x 70A)=5000W + 7000W=12000W
になります。
6000 x I = 12000W
I = 2[A]
になります。
【答え・ロ】
問題9
- 図のような,低圧屋内幹線からの分岐回路において,分岐点から配線用遮断器までの分岐回路を 600 V ビニル絶縁ビニルシースケーブル丸形(VVR)で配線する。この電線の長さ a と太さ b の組合せとして,不適切なものは。
- イ.
a:2m
b:5.5mm2 - ロ.
a:5m
b:5.5mm2 - ハ.
a:7m
b:8mm2 - ニ.
a:10m
14mm2
ただし,幹線を保護する配線用遮断器の定格電流は 100 A とし,VVR の太さと許容電流は表のとおりとする。

【解説】
この問題は以下のことを覚えておかないといけません。
分岐回路には、“原則として”幹線の分岐点から3m以内に「開閉器及び過電流遮断器」を設けなくてはなりません。
とありますが例外があります。
まず以下の表は覚えておいてください。
| 分岐点からの電線の許容電流が、幹線の許容電流の55%以上 | 制限なしに施設できる。 |
| 分岐点からの電線の許容電流が、幹線の許容電流の35%以上 | 分岐点から3m超8m以下に施設できる。 |
| 上記にあてはまらない場合 | 分岐点から3m以下に施設できる。 |
重要なポイントとして
- 分岐回路の過電流遮断器の施設位置が8mを越えるときは、0.55×過電流遮断器の定格電流とします。
- 分岐回路の過電流遮断器の施設位置が3mを越え8m以下のときは、0.35×過電流遮断器の定格電流とします。
問題より配線用遮断器の定格電流は 100 Aとなっています。
つまり
イのaが2mのときは制限なしなので直径2.0mmのときの許容電流は24Aで問題ありません。(正しい)
ロのaが5mです。5mのときは
分岐回路の過電流遮断器の施設位置が3mを越え8m以下のときは、0.35×過電流遮断器の定格電流とします。
になりますので
100 x 0.35=35Aになります。bが断面積5.5mmm2の許容電流は34Aなので35A以下になり不正解です。(誤り)
ハのaは7mです。同じくロと同じく
100 x 0.35=35Aでbが断面積8mmm2の許容電流は42Aなので35A以上になり問題ありません。(正しい)
二のaは10mです。
分岐回路の過電流遮断器の施設位置が8mを越えるときは、0.55×過電流遮断器の定格電流とします。
となり
100 x 0.55=55Aになりbは14mm2で表で断面積14mm2は61Aになり55A以上なので問題ありません。(正しい)
したがってロが不適切です。
【答え・ロ】
問題10
- 定格出力 22 kW,極数 4 の三相誘導電動機が電源周波数 60 Hz,滑り 5 %で運転されている。
- イ.1620
- ロ.1710
- ハ.1800
- ニ.1890
このときの 1 分間当たりの回転数は。
【解説】
この問題は同期速度Nsの公式があります。
- Ns=120 x f /P
- N=Ns(1-s)
より
Ns=120 x 60 / 4=1800
N=180(1-0.05)=1710
【答え・ロ】
Sponsored link





