令和7年下期
問題1
- 図のような平行平板キャパシタにおいて,電極間に 100 V の電圧を加えたとき,電極間に何も挟んでいない(空気)キャパシタ内の電界の強さ E[V/m]は。
- イ.1 x 102
- ロ.1 x 103
- ハ.1 x 104
- ニ.1 x 105
ただし,電極間の距離 d=1 x 10-3m,平行平板間の電界は平等電界とする。

【解説】
この問題を解くには以下の公式は必ず覚えておく必要があります。
- 電界の強さ(E=V/d[V/m])
- 静電容量(C=εA/d[F ファラッド])
- 電荷量(CV[c クーロン)])
- 蓄えられたエネルギー(W=1/2 x CV2[J ジュール)])
電界の強さ(E=V/d[V/m])を用いて求めす。
問題より
電極間の電圧Vが100V
電極間の距離Dは1 x 10-3m
とあるので
公式に代入するだけです。
E=V/d[V/m]より
E=100 / 1 x 10-3
=1 x 105
になりますので二が正解です。
【答え・二】
問題2
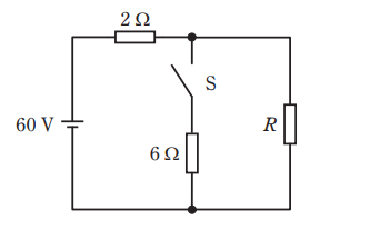
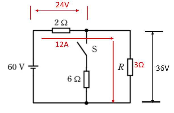
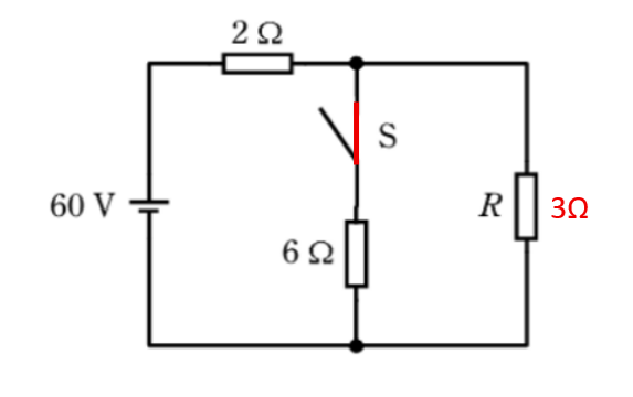
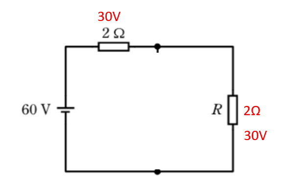
- 図のような直流回路において,スイッチ Sが開いているとき,抵抗 R の両端の電圧は36 V であった。スイッチ S を閉じたときの抵抗 R の両端の電圧[V]は。
- イ.3
- ロ.12
- ハ.24
- ニ.30

【解説】
まず抵抗Rの両端の電圧は36Vであるので
電源電圧が60Vより
2Ωの所の電圧は
60-36=24V
になり
I= 24/2=12A
になります。
またRですがRにも12A流れているので
R=36/12=3Ω
になります。


6Ω x 3Ω / 6Ω + 3Ω=18 / 9 = 2Ω
になります。

合成抵抗の両端の電圧は60Vを2Ωと2Ωに分圧するので30Vになります。
【答え・二】
問題3
- 図のように,角周波数がω = 500 rad/s,電圧100 V の交流電源に,抵抗 R= 3Ω とインダクタンス L= 8 mH が接続されている。回路に流れる電流 I の値[A]は。
- イ.9
- ロ.14
- ハ.20
- ニ.33

【解説】
以下の公式を使います。

になります。
回路のインピータンスZ(Ω)は

【答え・ハ】
問題4
- 図のような交流回路において,10Ω の抵抗の消費電力[W]は。
- イ.100
- ロ.200
- ハ.500
- ニ.1000
ただし,ダイオードの電圧降下や電力損失は無視する。

【解説】
この図の回路では
P=E2 / R
で
P = 100 x 100 / 10 = 10000 / 10 = 1000W
になります。
今回の問題ではダイオードがあります。
ダイオードの場合は半波整流されるので、交流電力は半分になります。
したがって
1000Wの半分の500Wになります。
【答え・ハ】
問題5
- 図のような三相交流回路において,電源電圧は V[V],抵抗 R= 5Ω ,誘導性リアクタンス XL= 3Ω である。回路の全消費電力[W]を示す式は。
- イ.3V2 / 5
- ロ.V2/ 3
- ハ.V2 / 5
- ニ. V2

【解説】
今回のポイントは求めるのが回路の全消費電力[W]です。
消費電力ということは有効電力になりますのでコイルXLは無視できます。
消費電力の公式
P=IV
でした。
まず1相分の消費電力を求めると
今回は抵抗成分を式にいれないといけないので
V=IR
より
I=V/R
P=(V/R) x V
V2/R
になります。
R=5Ω
ですので
1相分の消費電力Pは
P=V2 / 5
になります。
3相分は3倍しますので
3 x V2 / 5
しないといけません。
全消費電力Pは
P=3V2 / 5
になります。
【答え・イ】
Sponsored link





