令和7年度上期
問題41
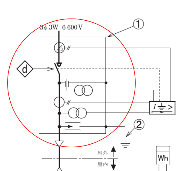
①に設置する機器は。
【解説】
①の部分はこの部分です。

写真でいうとハになります。
【答え・ハ】
問題42
- ②で示す機器の接地線(軟銅線)の最小太さと接地抵抗値の組合せとして,適切なものは。
- イ.3.5mm2
100Ω - ロ.8mm2
50Ω - ハ.14mm2
10Ω - ニ.22mm2
50Ω
【解説】
②の部分はこの部分です。

避雷器の接地はA種接地工事が必要になります。
接地線の最少太さと接地抵抗値の組合せは、
14mm2
10Ω
となるのでハです。
【答え・ハ】
問題43
- ③で示す機器の文字記号(略号)は。
- イ.VTT
- ロ.VCT
- ハ.MCB
- ニ.VCB
【解説】
③の部分はこの部分です。

したがってロである。
【答え・ロ】
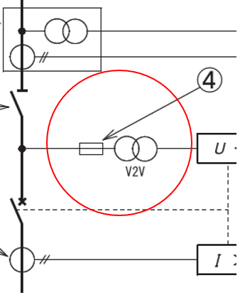
問題44
④の部分に施設する機器と使用する本数は。
【解説】
④の部分はこの部分です。

VT2台に対して2本、合計4本必要になります。
正しいのはにです。
【答え・ニ】
問題45
- ⑤で示す機器に関する記述として,正しいものは。
- イ.電路や機器の点検時に負荷電流が流れていない電路を開放する。
- ロ.地絡事故時に電路を遮断する。
- ハ.雷サージの侵入時に電路を開放する。
- ニ.短絡事故時に電路を遮断する。
【解説】
⑤の部分はこの部分です。

断路器の説明で正しいのはイです。
【答え・イ】
Sponsored link





