令和7年度上期
問題30
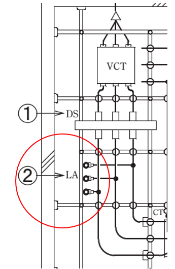
- ①に示すDSに関する記述として,誤っているものは。
- イ.DSは区分開閉器として施設される。
- ロ.DSは負荷電流が流れている時,誤って開路しないようにする。
- ハ.DSの接触子(刃受)は電源側,ブレード(断路刃)は負荷側にして施設する。
- ニ.DSは断路器である。
【解説】
①の部分はこの部分です。

断路器は、電力回路の無負荷時の電圧を開閉する電力機器である。
基本的に電流の開閉はできない。
したがってイのような区分開閉器として使用できない。
【答え・イ】
問題31
- ②に示す避雷器の設置に関する記述として,不適切なものは。
- イ.避雷器の接地はA種接地工事とし,サージインピーダンスをできるだけ低くするため,接地線を太く短くした。
- ロ.保安上必要なため,避雷器には電路から切り離せるように断路器を施設した。
- ハ.受電電力が500kW未満の需要場所では避雷器の設置義務はないが,雷害の多い地域であり,電路が架空電線路に接続されているので,引込口の近くに避雷器を設置した。
- ニ.避雷器には電路を保護するため,その電源側に限流ヒューズを施設した。
【解説】
②の部分はこの部分です。

したがって二が誤りです。
【答え・ニ】
問題32
- ③に示す受電設備内に使用される機器類などに施す接地に関する記述で,不適切なものは。
- イ.計器用変成器の二次側電路の接地は,B種接地工事である。
- ロ.高圧電路と低圧電路を結合する変圧器の低圧側の中性点又は低圧側の1端子に施す接地は,混触による低圧側の対地電圧の上昇を制限するための接地であり,故障の際に流れる電流を安全に通じることができるものであること。
- ハ.高圧電路に取り付けた変流器の二次側電路の接地は,D種接地工事である。
- ニ.高圧変圧器の外箱の接地の主目的は,感電保護であり,接地抵抗値は10Ω以下と定められている。
【解説】
③の部分はこの部分です。

高圧の電路に使用される計器用変成器の二次側電路の接地は、D種接地工事です。
【答え・イ】
問題33
- ④に示す2種金属製線ぴを用いた金属線ぴ工事の記述として,不適切なものは。
- イ.終端部を閉そくし,壁面に固定した。
- ロ.配線に屋外用ビニル絶縁電線を使用した。
- ハ.スイッチへの配線はボックスを用いた分岐接続を行い、照明器具間の配線は送り端子で接続した。
- ニ.内部に,じんあいが侵入し難いように取付けた。
【解説】
④の部分はこの部分です。

電線は「絶縁電線(屋外用ビニル絶縁電線を除く。)であること。
【答え・ロ】
問題34
- ⑤に示す分電盤に関する記述として,不適切なものは。
- イ.配線用遮断器が容易に操作できる場所に施設した。
- ロ.分電盤(鉄製)の接地端子にD種接地工事を施した。
- ハ.分電盤に施設する配線用遮断器は,これを施設する箇所を通過する短絡電流を遮断する能力を有しない。
- ニ.分電盤の電源側(幹線側,主幹)に施設する配線用遮断器や漏電遮断器は,中性線欠相保護機能付きのものとすること。
【解説】
⑤の部分はこの部分です。

短絡電流を遮断する能力を有しない。
おかしいですよね。
短絡電流を遮断する能力を有するものを施設する必要があります。
【答え・ハ】
問題35
- 一般にB種接地抵抗値の計算式は,
- イ.300
- ロ.400
- ハ.500
- ニ.600

ただし,変圧器の高低圧混触により,低圧側 電路の対地電圧が150 Vを超えた場合に,1秒 を超え2秒以下で自動的に高圧側電路を遮断 する装置を設けるときは,計算式の150 Vは [ ]とすることができる。
上記の空欄にあてはまる数値は。
【解説】
イが正しいです。
変圧器の高低圧混触により,低圧側 電路の対地電圧が150 Vを超えた場合に,1秒 を超え2秒以下で自動的に高圧側電路を遮断 する装置を設けるときは,計算式の150 Vは [300V]とすることができる。
【答え・イ】
Sponsored link





