令和7年度上期
問題11
- 電気機器の絶縁材料として耐熱クラスごとに最高連続使用温度[℃]の低いものから高いものの順に耐熱クラスの指定文字を左から右に並べたものは。
- イ.H,E,Y
- ロ.Y,E,H
- ハ.E,Y,H
- ニ.E,H,Y
【解説】
この問題は知識問題として覚えておく必要があります。
正しいのは
ロ.Y,E,H
です。
【答え・ロ】
問題12
- 電熱器により2リットルの水を加熱したとき温度が10 ℃上昇した。この電熱器が発生した発熱量Q[kJ]は。
- イ.40
- ロ.56
- ハ.84
- ニ.168
ただし,電熱器の熱効率は50 %とする。
【解説】
まず電熱器の熱効率が50%ということは半分の能力が発揮できないことになります。
水の比熱は4.2[kJ/kg・℃]です。
これは知っておかないといけません。
また水2リットルは2kgになります。
したがって発熱量Q[kJ]は
4.2 x 2 x 10=84[kJ]になります。
しかし熱効率が50%なので
84 ÷ 0.5= 168[kJ]
になります。
【答え・ニ】
問題13
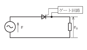
図に示すサイリスタ(逆阻止3端子サイリスタ)回路の出力電圧v0の波形として,得ることのできない波形は。ただし,電源電圧は正弦波交流とする。


【解説】
不適当なのは二です。
サイリスタは順方向に電流を流すダイオードにゲートを追加してゲートへの
電流を変化させて、流す電流を制御できます。
逆方向には電流が流れません。

二のみが逆方向に電流が流れています。
【答え・ニ】
問題14
- 写真に示すものの名称は。
- イ.金属ダクト
- ロ.バスダクト
- ハ.トロリーバスダクト
- ニ.銅帯

【解説】
この問題は定番の問題です。
よく出題されますが写真はロのバスダクトです。
【答え・ロ】
問題15
- 写真に示すモールド変圧器の矢印部分の名称は。
- イ.タップ切替端子
- ロ.耐震固定端部
- ハ.一次(高電圧側)端子
- ニ.二次(低電圧側)端子

【解説】
写真に示す部分は二の二次(低電圧側)端子です。
【答え・ニ】
Sponsored link





