令和6年午後過去問題
問題46
⑥に設置する機器として、正しいものは。
【解説】
⑥の部分はこの部分です。

電圧計の先にあるので電圧用試験端子です。
写真では二になります。
【答え・ニ】
問題47
⑦で示す部分に設置する機器の図記号と制御器具番号の組合せとして、正しいものは。
【解説】
⑦の部分はこの部分です。

機器の図記号と制御器具番号の組合せはハになります。
【答え・ハ】
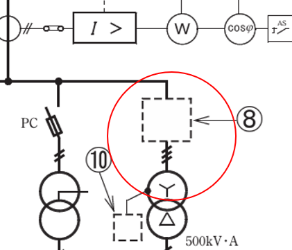
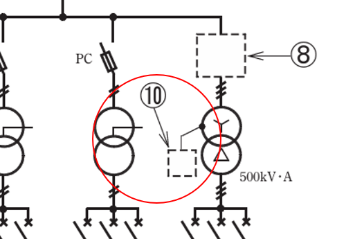
問題48
⑧で示す部分に設置する機器の図記号として、適切なものは。
【解説】
⑧の部分はこの部分です。

使用する変圧器の容量が500kV・Aなので、限流ヒューズ付高圧交流負荷開閉器(LBS)です。
イは断路器(DS)
ロは電磁接触器(MC)
二は高圧カットアウト(PC)
です。
【答え・ハ】
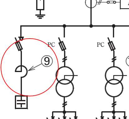
問題49
- ⑨で示す機器の役割として、誤っているものは。
- イ.コンデンサ回路の突入電流を抑制する。
- ロ.電圧波形のひずみを改善する。
- ハ.第5調波等の高調波障害の拡大を防止する。
- ニ.コンデンサの残留電荷を放電する。
【解説】
⑨の部分はこの部分です。

コンデンサの残留電荷を放電させるのは放電コイルです。
⑨で示すものは直列リアクトル(SR)になります。
イ、ロ、ハは正しい記述です。
【答え・ニ】
問題50
⑩で示す部分の図記号として、正しいものは。
【解説】
⑩の部分はこの部分です。

【答え・イ】
Sponsored link





