令和6年午後過去問題
問題6
- 図は単相2線式の配電線路の単線結線図である。電線1線当たりの抵抗は、A-B間で0.1Ω、B-C間で0.2Ωである。A点の線間電圧が210Vで、B点、C点にそれぞれ負荷電流10Aの抵抗負荷があるとき、C点の線間電圧[V]は。
- イ.200
- ロ.202
- ハ.204
- ニ.208
ただし、線路リアクタンスは無視する。

【解説】
単線結線図を書き換えると以下のようになります。


210V-2V-2V-2V-2V=202V
になります。
【答え・ロ】
問題7
- ある変圧器の負荷は、有効電力90kW、無効電力120kvar、力率は60%(遅れ)である。いま、ここに有効電力70kW、力率100%の負荷を増設した場合、この変圧器にかかる負荷の容量[kV・A]は。
- イ.100
- ロ.150
- ハ.200
- ニ.280

【解説】

従って

【答え・ハ】
問題8
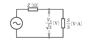
定格一次電圧がVn[V]、定格容量がS[V・A]、一次側に換算した変圧器の内部インピーダンスがZ[Ω](1相分)の三相変圧器がある。この変圧器の百分率インピーダンス%Z[%](基準容量S[V・A])を示す式は。ただし、図は1相の等価回路を示す。


【解説】
百分率インピーダンス%Z[%]は、供給電圧Vnに対して、変圧器内部インピーダンスZにおける電圧降下の比率を表したものです。
電圧降下は以下の式で求められます。
V=I x Z
したがって
%Z=Zin/Vn x 100
になります。
次に基準容量S[V・A]は
S[V・A]=基準電圧[Vn] x 基準電流[In]
になります。
したがって
%Z=ZVn/Vn x 100=ZIn/Vn x Vn/Vn x 100=VnInZ/Vn2 x 100
となり
基準容量S[V・A]=定格一次電圧Vn x 定格電流In
ですので
S=VnInを代入すると
VnInZ/Vn2 x 100=SZ/Vn2 x 100
となります。
したがってハになります。
正直難しい問題です。
【答え・ハ】
問題9
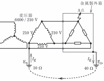
- 図のような電路において、変圧器(6600/210V)の二次側の1線がB種接地工事されている。このB種接地工事の接地抵抗値が10Ω、負荷の金属製外箱のD種接地工事の接地値が40Ωであった。金属製外箱のA点で完全地絡を生じたとき、A点の対地電圧[V]の値は。
- イ.32
- ロ.168
- ハ.210
- ニ.420
ただし、金属製外箱、配線及び変圧器のインピーダンスは無視する。

【解説】
図の回路を書き換えると以下のようになります。

これは重要です。
次に子の電圧は210VをEBの10ΩとED40Ωに分圧されます。
したがって以下のようになります。
A点の対地電圧[[V]の値=210V x (40Ω ÷ 10Ω + 40Ω)=210 x 0.8=168V
になります。
【答え・ロ】
問題10
- かご形誘導電動機のY-Δ始動法に関する記述として、誤っているものは。
- イ.固定子巻き線とY結線にして始動したのち、Δ結線に切り替える方法である。
- ロ.始動トルクはΔ結線で全電圧始動した場合と同じである。
- ハ.Δ結線で全電圧始動した場合に比べ、始動時の線電流は1/3に低下する。
- ニ.始動時には固定子巻線の各相に定格電圧の1/√3倍の電圧が加わる。
【解説】
誤っているのはロです。
かご形誘導電動機のY-Δ始動法では
始動トルクはΔ結線で全電圧始動した場合より1/3倍になります。
その他の記述は正しいです。
【答え・ロ】
Sponsored link





