令和6年午後過去問題
問題1
- 図のように、巻数nのコイルに周波数fの交流電圧Vを加え、電流Iを流す場合に、電流Iに関する説明として、誤っているものは。
- イ.巻数nを増加すると、電流Iは減少する。
- ロ.コイルに鉄心を入れると、電流Iは減少する。
- ハ.周波数fを高くすると、電流Iは増加する。
- ニ.電圧Vを上げると、電流Iは増加する。

【解説】
誤っているのはハです。
コイルの誘導性リアクタンスをXLとすると
オームの法則より
E=IXL
になります。
ここで
XL=ωL=2πfL
より
E=I x 2πfL
I=E/2πfL
になるので
周波数は分母にあるので周波数を高くすると電流の値は小さくなります。
イは巻数nを増加するとLが増えIは減少します。
ロはコイルに鉄心を入れると、自己インダクタンスが増えIは減少します。
二はI=E/2πfLの式からもわかるように電圧をあげると電流は減少します。
【答え・ハ】
問題2
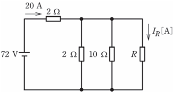
- 図のような直流回路において、電源から流れる電流は20Aである。図中の抵抗Rに流れる電流IR[A]は。
- イ.0.8
- ロ.1.6
- ハ.3.2
- ニ.16

【解説】
順に解いていけば分かりやすいです。
まず20Aのところの抵抗が2Ωなので
電圧降下が40Vになります。
したがってその先の2Ω、10Ω、Rには
72V-40V=32V
になります。
オームの法則より
E=IR
I=E/R
より
2Ωと10Ωに流れる電流を求めると
I=32/2=16A
I=32/10=3.2A
になるので
結果的に
20A-16A-3.2A=0.8A
がRに流れる電流になります。

【答え・イ】
問題3
- 図のような正弦波交流電圧がある。波形の周期が20ms(周波数50Hz)であるとき、角速度ω[rad/s]の値は。
- イ.50
- ロ.100
- ハ.314
- ニ.628

【解説】
角速度ωは
ω=2πf
になります。
したがって、周波数が50Hzなので
ω= 2 x 3.14 x 50 = 314[rad/s]
になりますのでハが正しい。
【答え・ハ】
問題4
- 図のような交流回路の力率[%]は。
- イ.50
- ロ.60
- ハ.70
- ニ.80

【解説】
力率を求めるので



【答え・ニ】
問題5
- 図のような三相交流回路において、電流Iの値[A]は。
- イ.200√3/17
- ロ.40/√3
- ハ.40
- ニ.40√3

【解説】
この問題は回路を変換できるかがポイントになります。



【答え・ロ】
Sponsored link





