令和5年午前過去問題
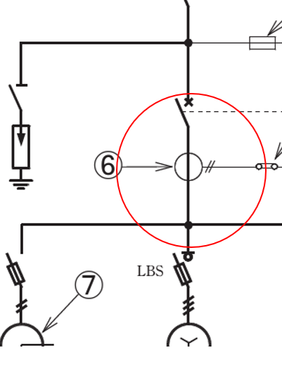
問題46
⑥で示す部分に施設する機器の複線図として、正しいものは。
【解説】
⑥の部分はこの部分です。

変流器の二次側のD種接地工事は端子lに施す。

【答え・イ】
問題47
- ⑦で示す部分に使用できる変圧器の最大容量[kV・A]は。
- イ.100
- ロ.200
- ハ.300
- ニ.500
【解説】
⑦の部分はこの部分です。

PCとは高圧カットアウトのことです。
高圧カットアウト(PC)で使用できる変圧器の最大容量[kV・A]は300[kV・A]です。
したがってハが正しい。
【答え・ハ】
問題48
- ⑧で示す機器の役割として、誤っているものは。
- イ.コンデンサ回路の突入電流を抑制する。
- ロ.第5調波等の高調波障害の拡大を防止する。
- ハ.電圧波形のひずみを改善する。
- ニ.コンデンサの残留電荷を放電する。
【解説】
⑧の部分はこの部分です。

コンデンサの残留電荷を放電させるのは放電コイルです。
⑧で示すものは直列リアクトル(SR)になります。
イ、ロ、ハは正しい記述です。
【答え・ニ】
問題49
- ⑨で示す機器の目的は。
- イ.変圧器の温度異常を検出して警報する。
- ロ.低圧電路の短絡電流を検出して警報する。
- ハ.低圧電路の欠相による異常電圧を検出して警報する。
- ニ.低圧電路の地絡電流を検出して警報する。
【解説】
⑨の部分はこの部分です。

地絡電流を検出して警報させます。
【答え・ニ】
問題50
⑩で示す部分に使用するCVTケーブルとして、適切なものは。
【解説】
⑩の部分はこの部分です。

写真の
イは高圧用CVTケーブルです。
ロは高圧用CVケーブルです。
ハは低圧用のVVRケーブルです。
二は低圧用のCVTケーブルになります。
⑨の部分は低圧側配線になります。
CVTケーブルは二になります。
【答え・ニ】
Sponsored link





