令和5年午前過去問題
問題1
- 図のような直流回路において、電源電圧20V、R=2Ω、L=4mH及びC=2mFで、RとLに電流10Aが流れている。Lに蓄えられているエネルギーWL[J]の値と、Cに蓄えられているエネルギーWCの値の組合せとして、正しいものは。
- イ.WL=0.2
WC=0.4 - ロ.WL=0.4
WC=0.2 - ハ.WL=0.6
WC=0.8 - ニ.WL=0.8
WC=0.6

【解説】
p>
【答え・イ】
問題2
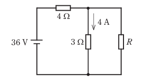
- 図のような直流回路において、抵抗3Ωには4Aの電流が流れている。抵抗Rにおける消費電力[W]は。
- イ.6
- ロ.12
- ハ.24
- ニ.36

【解説】
まず
3Ωのところに流れている電流が4Aなので
3Ω x 4A = 12V
になります。
次に4Ωのところの電圧は
36V-12V=24V
になります。
次にRに流れている電流は
6A-4A=2A
になります。
3Ωのところの電圧が12VなのでもちろんRのところも12Vになるので
R=12 ÷ 2=6Ω
になります。
Rのところの電力は
P=I2 x R = 22 x 6=24W
になります。
【答え・ハ】
問題3
- 図のような交流回路において、抵抗12Ω、リアクタンス16Ω、電源電圧は96Vである。この回路の皮相電力[V・A]は。
- イ.576
- ロ.768
- ハ.960
- ニ.1344

【解説】
抵抗12Ωとリアクタンス16Ωに流れる電流は以下のように求めます。


S=VIより
S=96 x 10=960
【答え・ハ】
問題4
- 図のような交流回路において、電流I=10A、抵抗Rにおける消費電力は800W、誘導性リアクタンスXL=16Ω、容量性リアクタンスXC=10Ωである。この回路の電源電圧V[V]は。
- イ.80
- ロ.100
- ハ.120
- ニ.200

【解説】

【答え・ロ】
問題5
- 図のような三相交流回路において、電源電圧は200V、抵抗は8Ω、リアクタンスは6Ωである。この回路に関して誤っているものは。
- イ.1相当たりのインピーダンスは、10Ωである。
- ロ.線電流Iは、10Aである。
- ハ.回路の消費電力は、3200Wである。
- ニ.回路の無効電力は、2400varである。

【解説】
イの1相当たりのインピーダンスは、

この回路はY結線なので


【答え・ロ】
Sponsored link





