令和4年度上期午後
問題46
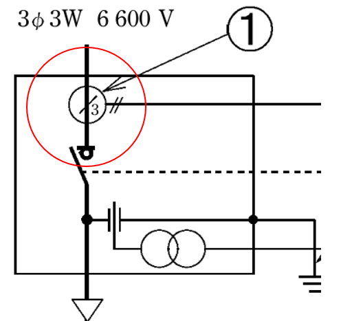
- ①で示す図記号の機器の名称は。
- イ.零相変圧器
- ロ.電力需給用変流器
- ハ.計器用変流器
- ニ.零相変流器
【解説】
①の部分はこの部分です。

零相変流器(ZCT)は零相電流を検出し、構内事故のみをLBSを開放します。
【答え・ニ】
問題47
- ②の部分の接地工事に使用する保護管で、適切なものは。
- イ.薄鋼電線管
- ロ.厚鋼電線管
- ハ.合成樹脂製可とう電線管(CD管)
- ニ.硬質ポリ塩化ビニル管
ただし、接地線に人が触れるおそれがあるものとする。
【解説】
②の部分はこの部分です。

CD管はコンクリートと覚えておいてください。
その時点でハは除外されます。
また保護管は埋設するので腐食するイとロ(金属管)も不適切と思われるので
残った二が正しいと思われます。
【答え・ニ】
問題48
③に設置する機器の図記号は。
【解説】
③の部分はこの部分です。

地絡方向継電器は、地絡事故を検出します。
需要家の構内で地絡が起こった時のみ作動します。
【答え・ニ】
問題49
④に設置する機器は。
【解説】
④の部分はこの部分です。

VCTとは電力需給用計器用変成器のことです。
ロはVT(計器用変圧器)
ハはDGR付PAS(柱上気中開閉器)
二はモードル変圧器
です。
【答え・イ】
問題50
⑤で示す部分の検電確認に用いるものは。
【解説】
⑤の部分はこの部分です。

イは高圧カットアウト(PC)の操作に利用するフック棒です。
ロは残留電荷の放電を行うための放電棒です。
ハは高圧用検相器です。(相順の確認を行う。)
【答え・ニ】
Sponsored link





