令和4年午前過去問題解説
問題41
①の端末処理の際に、不要なものは。
【解説】
①の部分はこの部分です。

写真の
イはケーブルカッタ
ロは電工ナイフ
ハは塩ビカッタ
二は半田ごて
です。
ケーブルヘッド(CH)の端末処理にはケーブルカッタと電工ナイフと半田ごてを使用します。
したがってハが誤りです。
ハは塩ビカッタです。
合成樹脂管などの切断に使用しますので今回は使用しません。
【答え・ハ】
問題42
- ②に示すストレスコーン部分の主な役割は。
- イ.機械的強度を補強する。
- ロ.遮へい端部の電位傾度を緩和する。
- ハ.電流の不平衡を防止する。
- ニ.高調波電流を吸収する。
【解説】
②の部分はこの部分です。

ケーブルヘッドで使用される端末処理にストレスコーンを使用する主な目的は
高圧ケーブルの終端において、遮へい層先端部分のケーブル絶縁体にかかる電位を緩和する(電界集中を防止する。)ことによる、絶縁体の電気的破壊を防止する。
したがってロの遮へい端部の電位傾度を緩和する。が正しい。
【答え・ロ】
問題43
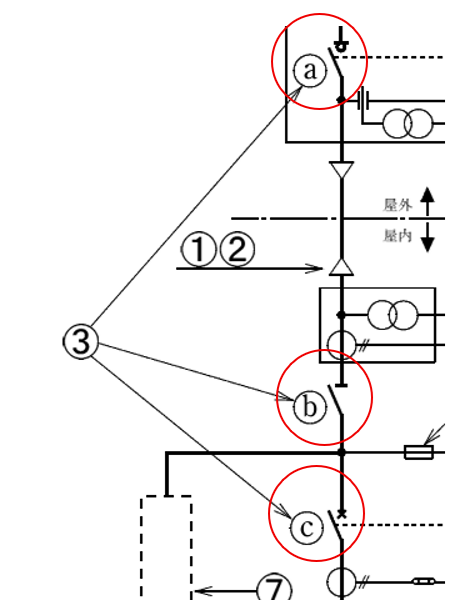
- ③で示す〇a、〇b、〇cの機器において、この高圧受電設備を点検時に停電させる為の開路手順として、最も不適当なものはどれか。
- イ.〇a→〇b→〇c
- ロ.〇b→〇a→〇c
- ハ.〇c→〇a→〇b
- ニ.〇c→〇b→〇a
【解説】
③の部分はこの部分です。

〇aは高圧交流負荷開閉器(LBS)です。
〇bは断路器です。
〇cは高圧遮断器です。
まず必ず最初は断路器を遮断しないといけません。
断路器は点検等の際に高圧受電設備の充電された電路を開閉する。高圧機器等の点検修理時に電路から切り分けるもので、負荷電流の開閉はできない。
順番としては
〇b→〇a→〇cの順です。
【答え・ロ】
問題44
- ④で示す装置を使用する主な目的は。
- イ.計器用変圧器を雷サージから保護する。
- ロ.計器用変圧器の内部短絡事故が主回路に波及することを防止する。
- ハ.計器用変圧器の過負荷を防止する。
- ニ.計器用変圧器の欠相を防止する。
【解説】
④の部分はこの部分です。

限流ヒューズの主な目的は計器用変圧器の内部短絡事故が主回路に波及することを防止する。
したがって正しいのはロです。
【答え・ロ】
問題45
⑤に設置する機器は。
【解説】
⑤の部分はこの部分です。

イは表示灯です。
ロは電圧切替スイッチです。
ハはブザーです。
二は押しボタンスイッチです。
表示灯になりますのでイです。
【答え・イ】
Sponsored link





