令和4年午前過去問題解説
問題1
- 図のように、面積Aの平板電極間に、厚さがdで誘電率εの絶縁物が入っている平行平板コンデンサがあり、直流電圧Vが加わっている。このコンデンサの静電エネルギーに関する記述として、正しいものは。
- イ.電圧Vの2乗に比例する。
- ロ.電極の面積Aに反比例する。
- ハ.電極間の距離dに比例する。
- ニ.誘電率εに反比例する。

【解説】
この問題を解くには以下の公式は必ず覚えておく必要があります。
- 電界の強さ(E=V/d[V/m])
- 静電容量(C=εA/d[F ファラッド])
- 電荷量(CV[c クーロン)])
- 蓄えられたエネルギー(W=1/2 x CV2[J ジュール)])
これらの公式を用いて順に見ていくと
イは蓄えられたエネルギー(W=1/2 x CV2[J ジュール)])
の公式で見ていくと
W=1/2 x CV2
でVの2乗に比例しているので正しい記述です。
ロは静電容量(C=εA/d[F ファラッド])より
距離は(厚さ)dが一定になると
C=誘電率εとA面積に比例することになり誤りです。
ハは静電容量(C=εA/d[F ファラッド])より
d(分母)が大きくなると、静電容量Cは小さくなる。つまり反比例の関係にあります。
二は静電容量(C=εA/d[F ファラッド])より
静電容量Cはεと比例関係にあります。つまり誤りです。
したがって正しいのはイです。
【答え・イ】
問題2
- 図のような直流回路において、スイッチSが開いているとき、抵抗Rの両端の電圧は36Vであった。スイッチSを閉じたときの抵抗Rの両端の電圧[V]は。
- イ.3
- ロ.12
- ハ.24
- ニ.30

【解説】
まず抵抗Rの両端の電圧は36Vであるので
電源電圧が60Vより
2Ωの所の電圧は
60-36=24V
になり
I= 24/2=12A
になります。
またRですがRにも12A流れているので
R=36/12=3Ω
になります。


6Ω x 3Ω / 6Ω + 3Ω=18 / 9 = 2Ω
になります。

合成抵抗の両端の電圧は60Vを2Ωと2Ωに分圧するので30Vになります。
【答え・ニ】
問題3
- 図のような交流回路において、電源電圧は200V、抵抗は20Ω、リアクタンスはX[Ω]、回路電流は20Aである。この回路の力率[%]は。
- イ.50
- ロ.60
- ハ.80
- ニ.100

【解説】
まず20Ωの抵抗の両端は、」電源電圧200Vです。
抵抗20Ωにはオームの法則より
V=IR
I=200 / 10 = 10A
流れています。
力率は全体の電流に対する抵抗に流れている電流の割合で求めますので
今回は全体に流れる電流が20Aで抵抗に流れる電流が10Aで丁度半分になっているので計算がしやすいと思います。
10 / 20 =0.5
になりますが力率は割合を求めないといけないので
0.5 x 100 = 50%
になります。
【答え・イ】
問題4
- 図のような交流回路において、抵抗R=15Ω、誘導性リアクタンスXL=10Ω、容量性リアクタンスXC=2Ωである。この回路の消費電力[W]は。
- イ.240
- ロ.288
- ハ.505
- ニ.540

【解説】
まず誘導性リアクタンスXLと容量性リアクタンスXCの合成リアクタンスは
Z=10-2=8Ωになります。

I=48 / 8 = 6A
になります。

P=IV = I x I x R
で求めることができます。
P= 6 x 6 x 15 = 540W
になります。
したがって二になります。
【答え・ニ】
問題5
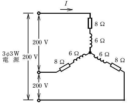
- 図のような三相交流回路において、電源電圧は200V、抵抗は8Ω、リアクタンスは6Ωである。この回路に関して誤っているものは。
- イ.1相当たりのインピーダンスは、10Ωである。
- ロ.線電流Iは、10Aである。
- ハ.回路の消費電力は、3200Wである。
- ニ.回路の無効電力は、2400varである。

【解説】
問題はスター結線(Y結線)です。
スター結線の場合は以下のことは必ず覚えておかなければなりません。
線電流=相電流
線間電圧=√3相電圧
つまり、今回は線間電圧が200Vなので
相電圧は
200=√3 x 相電圧
相電圧=200 / √3
になります。


したがってイの1相当たりのインピーダンスは、10Ωである。は正しいです。 ロの線電流Iは
線電流I=V/Z
より
200/√3 / 10 = 11.56Aになります。
10Aではないので不適当です。
ハの回路の消費電力は1相の抵抗の消費電力 x 3倍になります。
P=IV = (I x I x R) x 3
で求めることができます。
P=(11.56 x 11.56 x 8) x 3 = (1069) x 3=3207W
になり正しいです。
二の無効電力もハと同じ考え方です。
二はリアクタンスで消費される電力なので
Q=(11.56 x 11.56 x 6) x 3 = (801) x 3=2405W
【答え・ロ】
Sponsored link





