令和3年度午前
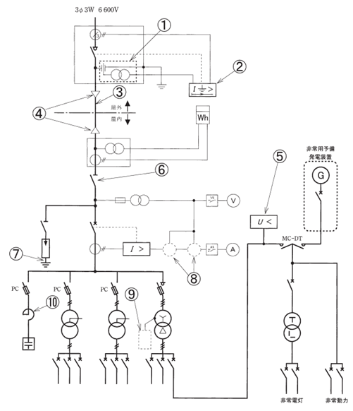
図は、高圧受電設備の単線結線図である。この図の矢印で示す10箇所に関する各問いには、4通りの答え(イ,ロ,ハ,ニ)が書いてある。それぞれの問いに対して,答えを1つ選びなさい。
(注) 図において,問いに直接関係のない部分等は,省略又は簡略化してある。

問題41
- ①で示す図記号の機器に関する記述として、正しいものは。
- イ.零相電流を検出する。
- ロ.零相電圧を検出する。
- ハ.異常電圧を検出する。
- ニ.短絡電流を検出する。
【解説】
①で示す図記号の機器は、零相基準入力装置(ZPD)で、地絡事故時に発生する零相電圧を検出する働きがある。
【答え・ロ】
問題42
- ②で示す機器の文字記号(略号)は。
- イ.OVGR
- ロ.DGR
- ハ.OCR
- ニ.OCGR
【解説】
②で示す図記号は地絡方向継電器で、文字記号はDGR(Directional Ground Rellay)である。
【答え・ロ】
問題43
- ③で示す部分に使用するCVTケーブルとして、適切なものは。




【解説】
③で示す部分のケーブルはイの高圧CVTケーブル(6600Vトリプレックス形架橋ポリエチレン絶縁ビニルシースケーブル)である。
高圧CVTケーブルは、銅シールド(遮へい銅テープ)、内部半導電層、外部半導電層を有する。
ロは高圧CVケーブル
ハはVVRケーブル
ニは低圧CVTケーブル
【答え・イ】
問題44
- ④で示す部分に使用されないものは。




【解説】
④で示す部分に使用されないものはハの避雷器です。
イはゴムストレスコーンで、ゴムストレスコーン形屋内終端接続部に使用されます。
ロはゴムとう管で、ゴムとう管形終端接続部に使用されます。
二はブラケットで、ゴムストレスコーン形屋内終端接続部の支持固定に使用されます。
【答え・ハ】
問題45
- ⑤で示す機器の名称と制御器具番号の正しいものは。
- イ.不足電圧継電器 27
- ロ.不足電流継電器 37
- ハ.過電流継電器 51
- ニ.過電圧継電器 59
【解説】
⑤は不足電圧継電器です。制御器具番号は27です。
【答え・イ】
Sponsored link





