令和3年度午後
問題11
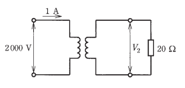
- 図のように、単相変圧器の二次側に20Ωの抵抗を接続して、一次側に2000Vの電圧を加えたら、一次側に1Aの電流が流れた。この時の単相変圧器の二次電圧V2[V]は。
- イ.50
- ロ.100
- ハ.150
- ニ.200
ただし、巻線の抵抗や損失を無視するものとする。

【解説】
変圧器の巻線の抵抗や損失を無視すると、変圧器の一次側と二次側は等しい。
一次側=V1 x I1=2000 x 1=2000W
二次側=V22/R=V22/20
一次側=二次側より
2000=V22/20
V22=40,000
V2=200
【答え・ニ】
問題12
- 電磁調理器(IH調理器)の加熱方式は。
- イ.アーク過熱
- ロ.誘導加熱
- ハ.抵抗加熱
- ニ.赤外線加熱
【解説】
電磁調理器は、商用電力をインバータによる数十kHzに変換した交流を電源とする誘導加熱を利用したものである。
【答え・ロ】
問題13
- LEDランプの記述として、誤っているものは。
- イ.LEDランプはpn接合した半導体に電圧を加えることにより発光する現象を利用した光源である。
- ロ.LEDランプに使用されるLEDチップ(半導体)の発光に必要な順方向電圧は、直流100V以上である。
- ハ.LEDランプの発光原理はエレクトロルミネセンスである。
- ニ.LEDランプには、青色LEDと黄色を発光する蛍光体を使用し、白色に発光させる方法がある。
【解説】
ロは直流100V以上ではなく3Vです。
【答え・ロ】
問題14
- 写真の三相誘導電動機の構造において矢印で示す部分の名称は。
- イ.固定子巻線
- ロ.回転子鉄心
- ハ.回転軸
- ニ.ブラケット

【解説】
矢印の部分はロの回転子鉄心です。
【答え・ロ】
問題15
- 写真に示す矢印の機器の名称は。
- イ.自動温度調節器
- ロ.漏電遮断器
- ハ.熱動継電器
- ニ.タイムスイッチ

【解説】
サーマルリレーと呼ばれているものでハの熱動継電器です。
【答え・ハ】
Sponsored link





