令和3年度午後
問題1
- 図のように、空気中に距離r[m]離れて、2つの点電荷+Q[C]と-Q[C]があるとき、これらの点電荷間に働く力F[N]は。





【解説】
これはクーロンの法則です。
クーロンの法則は、2つの点電荷に働く力は、2つの点電荷の電気量の大きさの積に比例し、距離の2乗に反比例することを示した法則です。
【答え・ハ】
問題2
- 図のような直流回路において、4つの抵抗Rは同じ抵抗値である。回路の電流I3が12Aであるとき、抵抗Rの抵抗値[Ω]は。
- イ.2
- ロ.3
- ハ.4
- ニ.5

【解説】
まずI3=12Aのとき抵抗R
なので
I2のときは抵抗2Rになっているので抵抗が2倍になればそこに流れる電流は1/2になり

I1=I2+I3=18A
になります。
キルヒホッフの法則より
90=I1R+I3R
90=18R+12R
90=30R
R=3Ω
【答え・ロ】
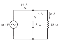
問題3
- 図のような交流回路において、電源電圧は120V、抵抗は8Ω、リアクタンスは15Ω、回路電流は17Aである。この回路の力率[%]は。
- イ.38
- ロ.68
- ハ.88
- ニ.98

【解説】

【答え・ハ】
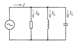
問題4
- 図に示す交流回路において、回路電流Iの値が最も小さくなるIR、IL、ICの値の組合せとして、正しいものは。
- イ.
IR=8A
IL=9A
IC=3A - ロ.
IR=8A
IL=2A
IC=8A - ハ.
IR=8A
IL=10A
IC=2A - ニ.
IR=8A
IL=10A
IC=10A

【解説】

今回はIRがともに8Aなので
(IL-IC)2が最小になる値が最小になるので
答えはニです。
【答え・ニ】
問題5
- 図のような三相交流回路において、線電流Iの値[A]は。
- イ.5.8
- ロ.10.0
- ハ.17.3
- ニ.20.0

【解説】
。

【答え・ハ】
Sponsored link





