令和3年度午前
問題1
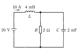
- 図のような直流回路において、電源電圧20V、R=2Ω、L=4mH及びC=2mFで、RとLに電流10Aが流れている。Lに蓄えられているエネルギーWL[J]と、Cに蓄えられているエネルギーWC[J]の値の組合せとして、正しいのは。
- イ.
WL=0.2
WC=0.4 - ロ.
WL=0.4
WC=0.2 - ハ.
WL=0.6
WC=0.8 - ニ.
WL=0.8
WC=0.6

【解説】

【答え・イ】
問題2
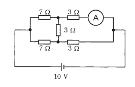
- 図のような直流回路において、電流計に流れる電流[A]は。
- イ.0.1
- ロ.0.5
- ハ.1.0
- ニ.2.0

【解説】
この回路はブリッジ回路になります。


より
10 = I x 10 = 1.0[A]
【答え・ハ】
問題3
- 定格電圧100V、定格消費電力1kWの電熱器の電熱線が全長の10%のところで断線したので、その部分を除き、残りの90%の部分を電圧100Vで1時間使用した場合、発生する熱量[kJ]は。
- イ.2900
- ロ.3600
- ハ.4000
- ニ.4400
ただし、電熱線の温度による抵抗の変化は無視するものとする。
【解説】
まず断線する前の電熱器の抵抗を考えると以下のようになります。

90%の時の抵抗をR´とすると
R´=0.9R=9Ω
になります。
電圧はそのまま100Vなので
90%のときの電力をp´とすると

熱量Qは
Q=P´t
になるので
tは秒で表されるのでこの場合は
1時間3600秒になるので

【答え・ハ】
問題4
- 図のような交流回路の力率[%]は。
- イ.50
- ロ.60
- ハ.70
- ニ.80

【解説】
力率を求めるので



【答え・ニ】
問題5
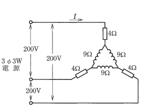
- 図のような三相交流回路において、電流Iの値[A]は。
- イ.200√3/17
- ロ.40/√3
- ハ.40
- ニ.40√3

【解説】
この問題は回路を変換できるかがポイントになります。



【答え・ロ】
Sponsored link





