平成30年度
問題6
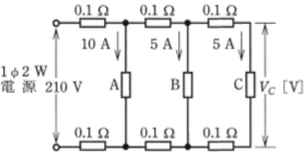
- 図のように、単相2線式の配電線路で、抵抗負荷A、B、Cにそれぞれ負荷電流10A、5A、5Aが流れている。電源電圧が210Vであるとき、抵抗負荷Cの両端の電圧Vc[V]は。
- イ.201
- ロ.203
- ハ.205
- ニ.208
ただし、電線1線当たりの抵抗は0.1Ωとし、線路リアクタンスは無視する。
【解説】

【答え・ロ】
問題7
- 図のような単相3線式配電線路において、負荷Aは負荷電流10Aで遅れ力率50%、負荷Bは負荷電流10Aで力率は100%である。中性線に流れる電流IN[A]は。
- イ.5
- ロ.10
- ハ.20
- ニ.25
ただし、線路インピーダンスは無視する。
【解説】
キルヒホッフの第1法則を適用して
IN+IB=IA
IN=IA-IB=IA+(-IB) cosΘ=0.5のときΘは60°なるので中性線に流れる電流INの大きさは、負荷A及び負荷Bに流れる電流と同じ電流が流れることになります。従って10Aが流れる。

【答え・ロ】
問題8
- 図のように、電源は線間電圧がVSの三相電源で、三相負荷は端子電圧V、電流I、消費電カP、力率cosθで、1相当たりのインピーダンスがZのY結線の負荷である。また、配電線路は電線1線当たりの抵抗がrで、配電線路の電力損失がPLである。この電路で成立する式として、誤っているものは。
- イ.配電線路の電力損失:PL=√3rI2
- ロ.力率:cosΘ=P/√3VI
- ハ.電流:I=V/√3Z
- ニ.電圧降下:Vs-V=√3rIcosΘ
ただし、配電線路の抵抗Rは負荷インピーダンスZに比べて十分に小さいものとし、配電線路のリアクタンスは無視する。
【解説】
イについては
- 三相負荷の電流I, 1線あたりの抵抗r
- 電力損失PLは、1線あたりの損失の3倍 よって、PL=3rI2 になります。
ロについては
- 三相負荷の力率cosθ, 消費電力P, 電圧V, 電流Iとすると
- P=√3VIcosθ
ハについては
- 電流I, 1相あたりのインピーダンスZ
- Y結線の相電圧VPは、線間電圧のVの1/√3 つまり、VP=V/√3
ニについては
- 配電端の電圧VS, 端子電圧V, リアクタンスx, 電圧降下はVS-Vとすると
- VS-V=√3I(rcosθ+xsinθ) (今回はx=0 )
【答え・イ】
問題9
- 図のような低圧屋内幹線を保護する配線用遮断器B1(定格電流100A)の幹線から分岐するA?Dの分岐回路がある。A?Dの分岐回路のうち、配線用遮断器Bの取り付け位置が不適切なものは。
- イ.A
- ロ.B
- ハ.C
- ニ.D
ただし、図中の分岐回路の電流値は電線の許容電流を示し、距離は電線の長さを示す。
【解説】
- 3m以内の場合は許容電流の値は特に関係なし
- 8m以内で3mを超える場合は、元の許容電流の35%以上の許容電流が必要
- 8mを超える場合は、元の許容電流の55%以上の許容電流が必要
イのAは4mなので配線用遮断器B1(定格電流100A)だから100Aの35%以上の許容電流が必要になりますので35A以上必要になり34Aは誤りです。
ロのBは5mで35%以上の42Aは正しい。
ハのCは9mなので55%以上の許容電流が必要になり61Aは正しい。
ニのDのように途中で電線の許容電流が変わる場合は条件を二つに分けて考えて行きます。
最初の6mは35A以上必要なので42Aは正しい。
次に1mは特に許容電流の値を考えなくてもいいので正しい。
【答え・イ】
問題10
- 6極の三相かご形誘導電動機があり、その一次周波数がインバータで調整できるようになっている。この電動機が滑り5%、回転速度1140min-1で運転されている場合の一次周波数[Hz]は。
- イ.30
- ロ.40
- ハ.50
- ニ.60
【解説】

【答え・ニ】
Sponsored link





