平成30年度
問題1
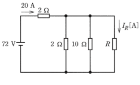
- 図のような直流回路において、電源電圧100V、R=10Ω、C=20μF及びL=2mH、Lには電流10Aが流れている。Cに蓄えられているエネルギーWC[J]の値と、Lに蓄えられているエネルギーWL[J]の値の組合せとして、正しいものは。
- イ.WC=0.001 WL=0.01
- ロ.WC=0.2 WL=0.01
- ハ.WC=0.1 WL=0.1
- ニ.WC=0.2 WL=0.2
【解説】
この問題は交流回路ではないので、静電エネルギーWCと電磁エネルギーWLを求めるにはそれぞれ次の公式に当てはめて計算する必要があります。

【答え・ハ】
問題2
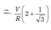
- 図のような直流回路において、電源から流れる電流は20Aである。図中の抵抗Rに流れる電流IR[A]は。
- イ.0.8
- ロ.1.6
- ハ.3.2
- ニ.16
【解説】

- 左上の2Ωの所の電圧を求めます。
- 並列の2Ω, 10Ωの部分の電流を求めます。
- IR[A]を求めます。
【答え・イ】
問題3
- 図のように、誘導性リアクタンスXL=10Ωに、次式で示す交流電圧v[V]が加えられている。
- イ.i=10√2sin(2πft-π/2)
- ロ.i=10sin(πft+π/4)
- ハ.i=-10cos(2πft+π/6)
- ニ.i=10√2cos(2ft+90)
v[V]=100√2sin(2πft)[V]
この回路に流れる電流の瞬時値i[A]を表す式は。
ただし、式においてt[s]は時間、f[Hz]は周波数である。
【解説】
この問題は、電流の大きさと電圧より位相がどれだけずれているのかを考えれば解けます。
- 電流の大きさは
- 電圧の瞬間値は v[V]=100√2sin(2πft)[V]です。
- 電圧の実効値:100[V] , 電圧の最大値:100√2[V]
- オームの法則から電流の大きさは、100√2[V] / 10[Ω] = 10√2[A]
電流は位相がずれるだけでやはり正弦波(sin)なので、正解は「イ」になります。。
【答え・イ】
問題4
- 図のような交流回路において、電流I=10A、抵抗Rにおける消費電力は800W、誘導性リアクタンスXL=16Ω、容量性リアクタンスXC=10Ωである。この回路の電源電圧V[V]は。
- イ.80
- ロ.100
- ハ.120
- ニ.200
【解説】

【答え・ロ】
問題5
- 図のように、線間電圧V[V]の三相交流電源から、Y結線の抵抗負荷とΔ結線の抵抗負荷に電力を供給している電路がある。図中の抵抗RがすべてR[Ω]であるとき、図中の電路の線電流I[A]を示す式は。




【解説】
この問題はY結線の負荷に接続している電線に流れる電流IYとΔ結線の負荷に接続している電線に流れる電流IΔを求めて
その和を求めていきます。
つまり
IY + IΔ
になります。


【答え・ハ】
Sponsored link





