令和2年度
図は、自家用電気工作物構内の受電設備を表した図である。この図に関する以下の問いに対して、答えを1つ選びなさい。
(注)図において、問いに関連した部分及び直接関係のない部分等は、省略又は簡略化してある。

問題30
- ①に示すDSに関する記述として、誤っているものは。
- イ.DSは負荷電流が流れている時、誤って開路しないようにする。
- ロ.DSの接触子(刃受)は電源側、ブレード(断路刃)は負荷側にして施設する。
- ハ.DSは断路器である。
- ニ.DSは区分開閉器として施設される。
【解説】
DSとは断路器のことです。
断路器は負荷電流の開閉に使用してはいけません。
無負荷の電路の開閉に使用するため、区分開閉器としては施設できません。
【答え・ニ】
問題31
- ②に示す避雷器の設置に関する記述として、不適切なものは。
- イ.保安上必要なため、避雷器には電路から切り離せるように断路器を施設した。
- ロ.避雷器には電路を保護するため、その電源側に限流ヒューズを施設した。
- ハ.避雷器の接地はA種接地工事とし、サージインピーダンスをできるだけ低くするため、接地線を太く短くした。
- ニ.受電電力が500kW未満の需要場所では避雷器の設置義務はないが、雷害の多い地域であり、電路が架空電線路に接続されているので、引込口の近くに避雷器を設置した。
【解説】
限流ヒューズが施設されていた場合、雷によって受電設備に、
異常電圧が発生した時ヒューズが溶断され、受電設備電路から避雷器が、
切り離された場合、異常電圧を地表に逃がすことが出来なくなってしまう為、避雷器には限流ヒューズを施設してはいけません。
従ってロが誤りです。
【答え・ロ】
問題32
- ③に示す受電設備内に使用される機器類などに施す接地に関する記述で、不適切なものは。
- イ.高圧電路に取り付けた変流器の二次側電路の接地は、D種接地工事である。
- ロ.計器用変圧器の二次側電路の接地は、B種接地工事である。
- ハ.高圧変圧器の外箱の接地の主目的は、感電保護であり、接地抵抗値は10Ω以下と定められている。
- ニ.高圧電路と低圧電路を結合する変圧器の低圧側の中性点又は低圧側の1端子に施す接地は、混触による低圧側の対地電圧の上昇を制限するための接地であり、故障の際に流れる電流を安全に通じることができるものであること。
【解説】
計器用変圧器の二次側電路はD種接地工事です。
間違えやすいですが高圧電路と低圧電路を変成する変圧器の低圧側端子や中性点にはB種接地工事です。
【答え・ロ】
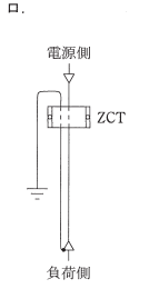
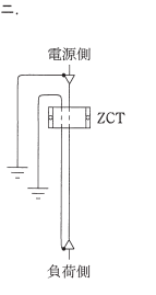
問題33
- ④に示す高圧ケーブル内で地絡が発生した場合、確実に地絡事故を検出できるケーブルシールドの接地方法として、正しいものは。




【解説】
ZCTは零相変流器です。
地絡電流を検出するものですので、接地線は必ず零相変流器を経由します。
この中で零相変流器を経由しているのは(イ)のみです。
地絡電流を検出した際は、地絡継電器を経て遮断器を動作させて電路を遮断します。
【答え・イ】
問題34
- ⑤に示すケーブルラックに施設した高圧ケーブル配線、低圧ケーブル配線、弱電流電線の配線がある。これらの配線が接近又は交差する場合の施工方法に関する記述で、不適切なものは。
- イ.高圧ケーブルと低圧ケーブルを15cm離隔して施設した。
- ロ.複数の高圧ケーブルを離隔せずに施設した。
- ハ.高圧ケーブルと弱電流電線を10cm離隔して施設した。
- ニ.低圧ケーブルと弱電流電線を接触しないように施設した。
【解説】
特別高圧配線、低圧配線、弱電流配線等とは15cm離すことと規定されています。
従ってハの高圧ケーブルと弱電流電線を10cm離隔して施設した。が誤りです。【答え・ハ】
問題35
- 自家用電気工作物として施設する電路又は機器について、C種接地工事を施さなければならないものは。
- イ.使用電圧400Vの電動機の鉄台
- ロ.6.6kV/210Vの変圧器の低圧側の中性点
- ハ.高圧電路に施設する避雷器
- ニ.高圧計器用変成器の二次側電路
【解説】
【答え・イ】
高圧側(6.6kV/210V)の変圧器の低圧側の中性点にはB種接地工事を施します。高圧用または特別高圧用機械器具にはA種接地工事を施します。
高圧計器用変成器の二次側電路にはD種接地工事を施します。
Sponsored link





